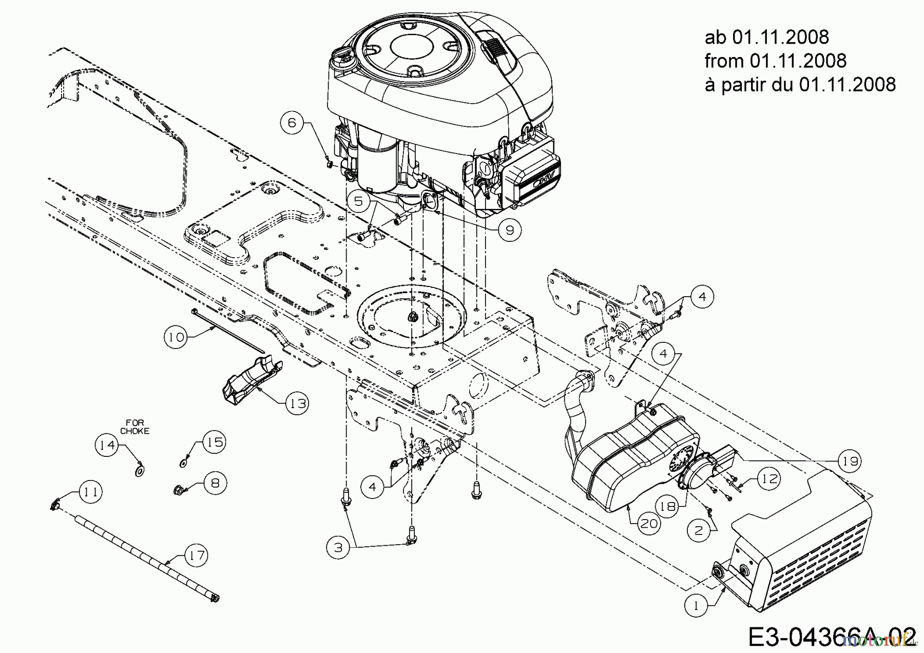
Bolens BL 175/107 T 13EN775G684 (2009) Motorzubehör ab 01.11.2008 Ersatzteile
EINROHR-AUSPUFFTOPF
Artikel Nummer:
751-10448A
BildNr:
20
Modell BJ:
BL 175/107 T / 2009
DINNORM:
FINISH:N/A
110.66 €
für EU incl. MwSt., zzgl. Versand
Der Artikel wurde in den Einkaufswagen gelegt!
Wird für Sie bestellt: Lieferzeit ca. 5 bis 14 Werktage.
Hier finden Sie die Ersatzteilzeichnung für Bolens Rasentraktoren BL 175/107 T 13EN775G684 (2009) Motorzubehör ab 01.11.2008. Wählen Sie das benötigte Ersatzteil aus der Ersatzteilliste Ihres Bolens Gerätes aus und bestellen Sie einfach online. Viele Bolens Ersatzteile halten wir ständig in unserem Lager für Sie bereit.













