Zurück zu
>
Mäher
>
Benzin
>
Elektrostart / Touch&Mow
>
4er
>
4.42 TAi ( 1996 / 4730881-A, B, C )
>
Synergy 38 ES ( 1996 / 2033000- )
>
Motor (1) (2033000-1996-1)
Ersatzteillisten für Wolf Mäher Motor (1) (2033000-1996-1)
Pos.
Bezeichnung
Ersatzteilnummer
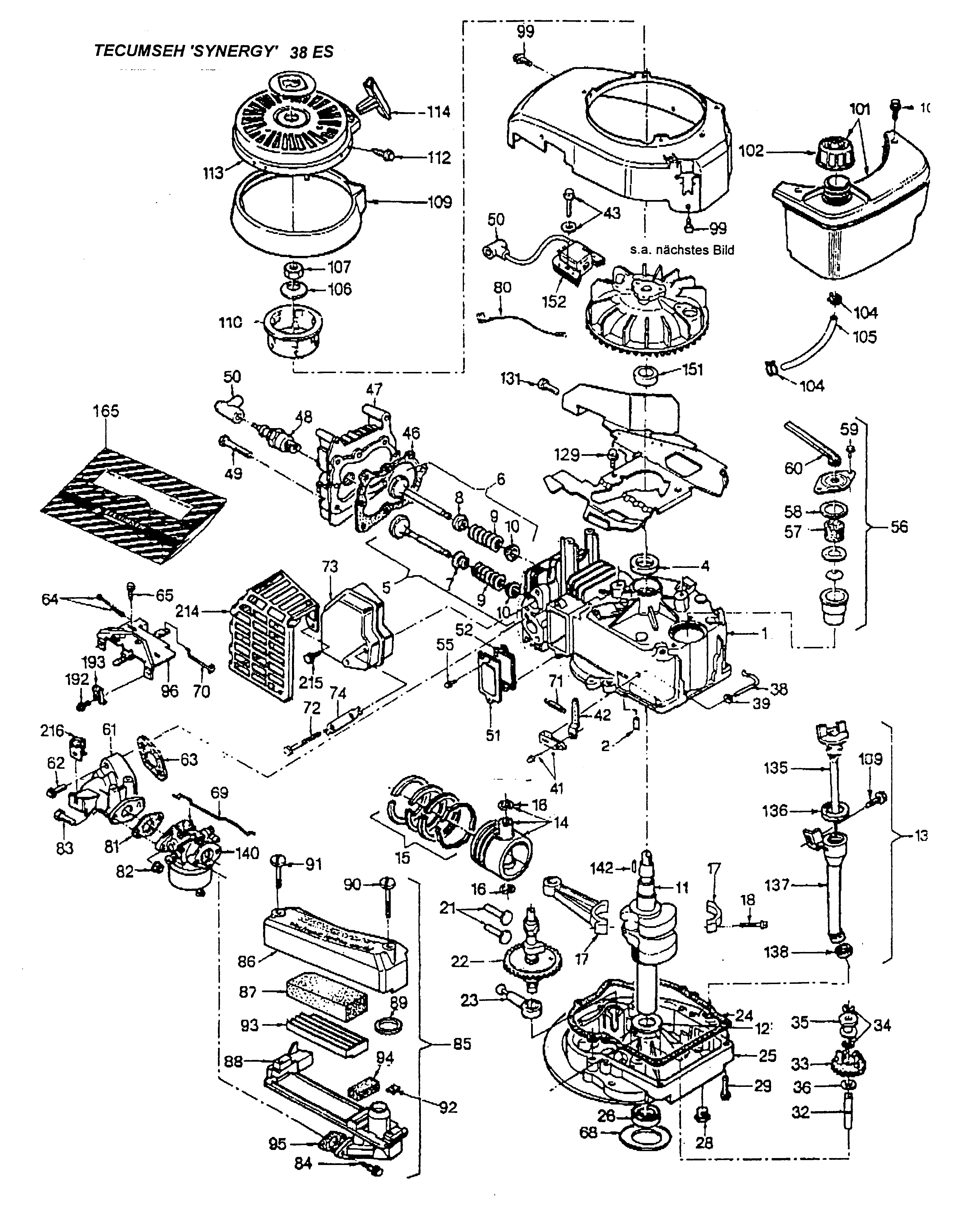
1
Zylinder
2031 052
2
Stift
1032 201
4
Simmerring
1005 202
5
Einlaßventil
1032 203
6
Auslaßventil
2085 056
7
Simmering
2031 215
8
Ventilteller
2027 204
9
Ventilfeder
2031 113
10
Ventilteller
1005 209
11
Kurbelwelle
2085 200
12
Drucklager
2025 208
14
Kolben u. Bolzen
1039 102
15
Kolbenringsatz
1039 103
16
Sicherungsring
1032 103
17
Pleuelstange
2036 202
18
Schraube
2036 201
21
Bolzen
2031 114
22
Nockenwelle
2036 203
23
Ölpumpe
2026 206
24
Dichtung
1032 223
25
Flansch
2027 201
26
Simmering
1005 217
28
Ölablaßschraube
2030 209
29
6kt.-Schraube
1038 209
32
Reglerwelle
1032 225
33
Verzahnung
1032 230
34
Federring
1032 231
35
Reglerspule
1032 232
36
Scheibe
2026 205
38
Reglerwelle
2026 208
39
Scheibe
1032 236
41
Hebel
2031 117
42
Reglerhebel
2085 202
43
Schraube
2085 222
46
Dichtung
1032 112
47
Zylinderkopf
2033 100
48
Zündkerze Champion RJ19LM
2058 305
49
Schraube
2030 203
50
Kerzenstecker
2085 301
51
Lüftungsdeckel
2087 301
52
Dichtung
1032 306
55
Schraube
2031 201
56
Entlüfter
2031 531
57
Entlüftereinsatz
2087 303
58
Dichtung
2085 309
59
Schraube
2085 310
60
Rohr Entl.
2031 532
61
Rohr-Einla.
2033 250
62
Schraube
2085 404
63
Dichtung
2031 221
64
Stellschraube
2031 210
65
Schraube
2085 310
68
Deckel
2026 204
69
Gelenk
2085 214
70
Gelenk
2085 215
71
Reglerfeder
1032 486
72
Schraube
2030 200
73
Auspuff
2033 010
74
Blech-Halt.
2025 209
80
Kabel
2033 110
81
Dichtung
1037 400
82
Mutter
2085 403
83
Schraube
2031 202
84
Schraube
2031 203
85
Luftfilter
2031 056
86
Filterdeckel
2031 401
87
Filtereinsatz
2031 405
88
Filtergehäuse
2031 408
89
Dichtung
2087 409
90
Schraube
2031 204
91
Schraube
2031 205
92
Mutter
2031 220
93
Filtergitter
2031 410
94
Lüftereinsatz
2031 112
95
Dichtung
2027 403
96
Halteplatte
2031 118
99
6kt.-Schraube
1032 315
101
Tank
2031 057
102
Tankdeckel
2085 500
103
Schraube
2026 215
104
Klammer
2030 501
105
Schlauch
2026 500
106
Scheibe
2026 606
107
Mutter
2026 607
109
Zwischenring
2033 505
110
Starterschale
2035 601
112
Schraube
2085 614
113
Starter kpl.
2085 052
114
Griff
2030 601
129
Schraube
2085 320
131
Schraube
2085 310
134
Öleinfüllrohr kpl.
2031 075
135
Ölmeßstab
2031 255
136
Dichtung
2031 452
137
Öleinfüllrohr
2031 250
138
Dichtung
2027 208
140
Vergaser
2033 020
142
Keil
2030 201
151
Distanzstück
2085 304
152
Zündspule
2030 055
165
Dichtungssatz
2031 058
192
Schraube
2085 404
193
Halter
1038 402
214
Hitzeschutz
2033 325
215
Schraube
2031 207
216
Klemme
2033 326
Gebrauchsanweisungen
Wolf
Handgeräte
Heckenscheren
Universalscheren
Handgrasscheren
Astscheren
Baumscheren
Baumpflege
Beleuchtungssysteme
Accuscheren
Häcksler
Sägen
Trimmer
Spindelmäher
Streuwagen / Portax
Schlauchwagen
Vertikutierer / Lüfter / Aerifizierer
Mäher
Accu
Benzin
Schiebe bis 42 cm
Schiebe ab 43 cm
Antrieb bis 42 cm
Antrieb ab 43 cm
Elektrostart / Touch&Mow
2er
4er
4.42 TAi ( 1996 / 4730881-A, B, C )
Datenblatt (4730881abc-1996-1)
Antrieb und Räder (4730881abc-1996-2)
Höhenverstellung (4730881abc-1996-3)
Griffunterteil (4730881abc-1996-4)
Grifftraverse mit Anbauteilen (4730881abc-1996-5)
Griffoberteil mit Anbauteil (4730881abc-1996-6)
Griffoberteil Serie B (4730881abc-1996-7)
Zwischenring, Motor, Messerbalken,Schaltgehäuse (4730881abc-1996-8)
Synergy 38 ES ( 1996 / 2033000- )
Motor (1) (2033000-1996-1)
Motor (2) (2033000-1996-2)
Vergaser (2033000-1996-3)
Anlasser (2033000-1996-4)
6er
Concept
Premio
Power Edition
Esprit
Elektro
Aufsitzmäher
Benzinmotoren
Zubehör
Impressum
(C) by motoruf