Zurück zu
>
Roth / TORO
>
Handgeräte
>
Schneefräsen
>
einstufig
>
CR 1000
>
603/38195
>
0000001
>
oberer Abdeckung
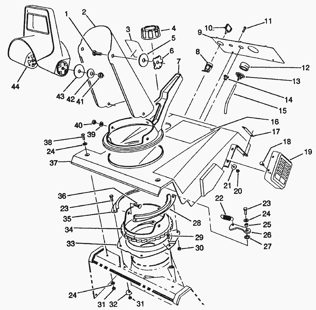
Ersatzteillisten für Toro Roth / TORO oberer Abdeckung
Pos.
Bezeichnung
Ersatzteilnummer
Discharge Chute Assembly (Incl. Ref.
13-7979
Pos.
Bezeichnung
Ersatzteilnummer
1
Bolzen
3230-22
3
Decal-Danger Chute (Model No. 38500)
63-3740
4
Gas Cap Assembly
55-3578
5
Scheibe
20-4320
6
Sicherungsscheibe
55-8950
7
Handgriff
71-4940
8
Zuendschloss
40-5940
9
Panel-Control (Model No. 38190 Only)
71-5130
Armaturenschild
71-5140
10
Schluessel
63-8360
11
Schraube
32144-53
12
Primerknopf
66-7460
13
Primer-Koerper
44-2750
14
Seilfuehrung
23-7470
15
Primerschlauch
44-3173
16
Decal-Shroud
71-5490
17
Spacer-Muffler Shield
71-5560
18
Schraube
3290-359
19
Guard-Muffler
71-5340
20
Mutter
3296-2
21
Scheibe
3256-61
22
Spring-Extension
71-5590
23
Schraube
321-4
24
scheibe
3256-22
25
Buechse
55-9370
26
Arm-Detent
71-5570
27
Washer-Special
71-5580
28
Retainer-Chute Ring L.H.
71-4980
29
Schraube
46-8092
30
STOPMUTTER
3296-56
Gebrauchsanweisungen
Toro
Roth / TORO
Aufsitzmäher
Handgeräte
Kehrmaschinen
Schneefräsen
Zubehör
zweistufig
einstufig
Snow Commander
CCR 3650 GTS
CCR 3000
CCR 2450
CCR 2400
CCR 2000
CR 1000
603/38196
603/38195
69000001
59000001
49000001
39000001
2000001
1000001
0000001
Starter Nr. 590537
Motor Tecumseh Modell-Nr. HSK600 Typ 1660-N (Modell-Nr. 38195)
Motor Tecumseh Modell-Nr. HSK600 Typ 1659-N (Modell-Nr. 38190)
Vergaser Nr. 632552
Holm
Startermotor & Schalter (Modell-Nr. 38195)
Motor (Modell-Nr. 38195)
Motor (Modell-Nr. 38190)
Rotor
Rotorgehäuse
oberer Abdeckung (Fortsetzung)
oberer Abdeckung
603/38191
CR 20
CR 20 R
S 620
S 200
CCR Powerlite
Sauger/Bläser
Rasenmäher
Robin
Impressum
(C) by motoruf