Zurück zu
>
Roth / TORO
>
Aufsitzmäher
>
Rider
>
HMR 1600
>
307/55620
>
9000001
>
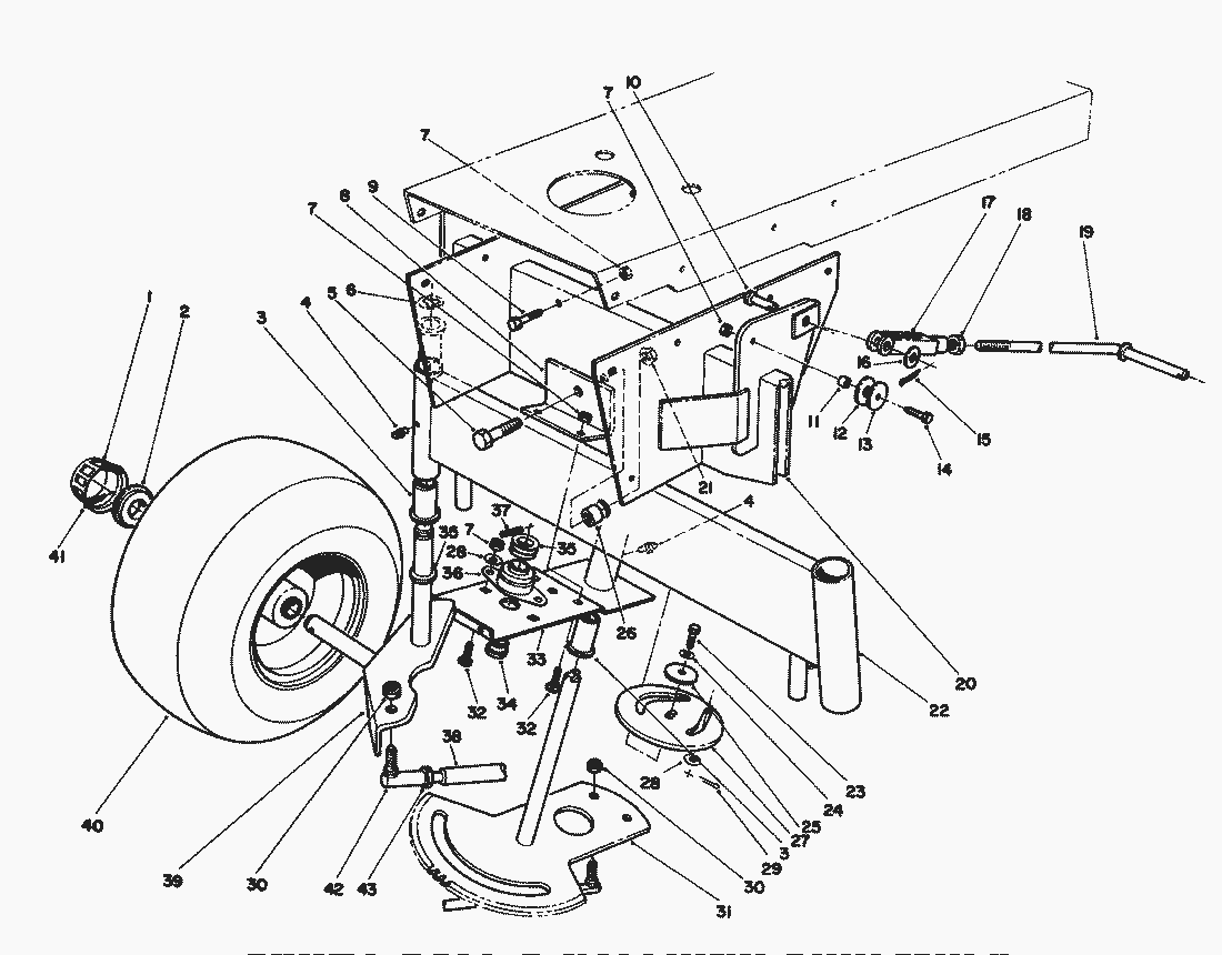
Vorderachse & Lenkung
Ersatzteillisten für Toro Roth / TORO Vorderachse & Lenkung
Pos.
Bezeichnung
Ersatzteilnummer
1
Abdeckung
61-9780
2
Radscheibe
68-0790
3
Buechse
46-6680
4
Nippel
302-49
5
Schraube
325-6
6
Seegerring
32151-48
7
MUTTER
3296-29
8
Bracket-Spindle Support
68-0890
9
Schraube
322-7
10
Splintbolzen
283-68
11
Spacer-Floor Pan
68-2270
12
Gummischeibe
68-1440
13
Scheibe
3256-68
14
Schraube
322-6
15
Splint
3272-11
16
Scheibe
3256-26
17
Clevis-Adj.
282-11
18
Mutter
3220-5
19
Frontgestaenge
68-1180
20
Support-Front Axle
68-0800
21
Mutter
32128-23
22
Vorderachse
68-0900
23
Capscrew Hex. Hd.
329-23
24
Federring
3253-3
25
Buchse
7-5461
26
Spacer-Front Axle
28-0380
27
Plate-Pull Rod
68-0940
28
Scheibe
3256-23
29
Splint
3272-10
30
Stopmutter
3296-6
31
Lenkplatte
68-0960
32
Schraube
3230-16
33
Lenkplatte
68-1010
34
Flanschlager
47-0700
35
Scheibe
3-6498
36
Lager
68-2970
37
Stift
32121-9
38
Spurstange
68-0990
39
Achsschenkel
68-0760
Achsschenkel
68-0860
40
41
Splint
3272-12
42
Spurstangenkopf
68-3840
Kugelgelenk
68-3841
43
Mutter
3220-3
Mutter
3220-16
Gebrauchsanweisungen
Toro
Roth / TORO
Aufsitzmäher
Traktor
Rider
HMR 1600
307/55620
9000001
Motor KOHLER (Modell MV16S-Typ 56511)
Motor KOHLER (Modell MV16S-Typ 56511)
Ausblas-Verkleidung Nr. 68-3590 (wahlw.)
Ausblas-Verkleidung Nr. 60-9030 (wahlw.)
Mulcheinsatz Modell-Nr. 30700 (wahlw.)
Mulcheinsatz Modell-Nr. 30752 (wahlw.)
Antrieb Spindel Nr. 54-7781
Antrieb Spindel Nr. 27-0870
52 Mähwerkgehäuse Modell-Nr. 55670 (wahlw.) 52 Cutting Deck Model No. 55670 (Optional) (Cont.)
52 Mähwerkgehäuse Modell-Nr. 55670 (wahlw.) 52 Cutting Deck Model No. 55670 (Optional)
44 Mähwerkgehäuse Modell-Nr. 55660 (wahlw.) 44 Cutting Deck Model No. 55660 (Optional) (Cont.)
44 Mähwerkgehäuse Modell-Nr. 55660 (wahlw.) 44 Cutting Deck Model No. 55660 (Optional)
Luxus Sitz Nr. 68-3800 (wahlw.)
Schnitthöhe
Sitz
Kraftstofftank
Kupplung Nr. 54-3200
Peerlesss Getriebe Modell-Nr. 700-029
Peerlesss Getriebe Modell-Nr. 700-030
Getriebe & Gestänge
Getriebe & Kupplung
Hinterer Reifen & Rad
Hinterrad & Achse
Vorderrad & Reifen
Vorderachse & Lenkung
Bremse & Kupplungspedal
Rahmen
Rahmen (Fortsetzung)
Rahmen
Lenksäule
12-32 E
12-32
11-32
10-32 E
8-25
110-4E
110-4
Mähwerke
Zubehör
Handgeräte
Robin
Impressum
(C) by motoruf