Zurück zu
>
Roth / TORO
>
Handgeräte
>
Rasenmäher
>
4-Takt Radantrieb
>
488/20920
>
0000001
>
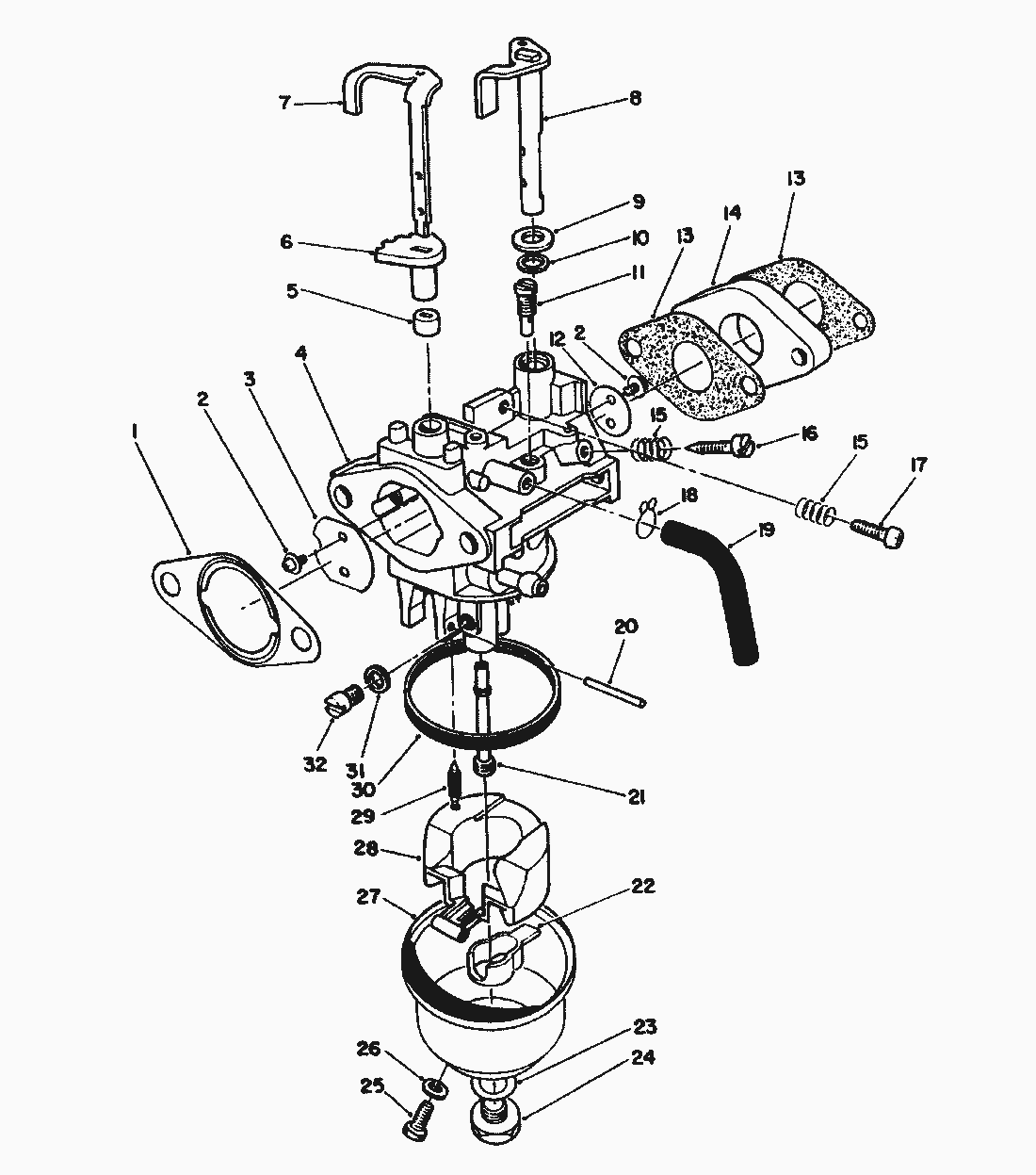
Vergaser (Modell-Nr. VMK9)
Ersatzteillisten für Toro Roth / TORO Vergaser (Modell-Nr. VMK9)
Pos.
Bezeichnung
Ersatzteilnummer
Jet-Main (
50-5610
Pos.
Bezeichnung
Ersatzteilnummer
1
Dichtung
81-4250
2
Screw
81-2710
3
Starterklappe
81-2720
4
5
Buechse
81-5530
6
Ring
81-5520
7
Shaft-Choke Control
81-5500
8
Shaft-Throttle
81-2920
9
Scheibe
81-4280
10
Seal-Throttle Shaft
81-4290
11
Hauptduese
81-5620
12
Valve-Throttle
81-2940
13
Dichtung
81-5560
14
Zwischenstueck
81-5570
15
Feder
81-2580
16
Duese
50-2360
17
Schraube
50-0250
18
Clamp
81-4300
19
Benzinschlauch
81-4310
20
STIFT
81-5600
21
Duese
81-5630
22
Schwimmerhalter
81-4940
23
Dichtung
81-2650
24
Schraube
81-2660
25
Schraube
81-2670
26
Dichtung
81-2680
27
Schwimmergehaeuse
81-4340
28
Schwimmer
81-4920
29
Schwimmernadel
81-4700
30
SCHWIMMERTOPFDICHTUNG
81-2630
31
Distanzstueck
81-4350
32
DUESE
81-2340
Achse
81-4270
Dichtungssatz
81-5650
Vergaser Kpl.
81-5590
Gebrauchsanweisungen
Toro
Roth / TORO
Aufsitzmäher
Handgeräte
Kehrmaschinen
Schneefräsen
Sauger/Bläser
Rasenmäher
Grasfangvorrichtungen
4-Takt Radantrieb
498/26638
498/26633
498/26633 B
498/26631 B
496/26639
496/26636
496/26636 B
496/26635 BC
496/26625 BG
495/26637
495/26632
495/26632 B
495/26630 BC
495/26630 BG
495/26620 BG
494/20784
494/20791
493/20783
493/20789
492/20787
492/20778
491/20786
491/20777
491/20328 B
490/20327 B
489/20927 B
489/20926 B
489/20925
488/20920
0000001
Starter (Modell-Nr. VMK9)
Auspuff (Modell-Nr. VMK9)
Luftfilter & Kraftstofftank (Modell-Nr. VMK9)
Vergaser (Modell-Nr. VMK9)
Regler (Modell-Nr. VMK9)
Zündspule & Schwungrad (Modell-Nr. VMK9)
Kurbelwelle (Fortsetzung)
Kurbelgehäuse (Modell-Nr. VMK9)
Fangkorb
Holm (Antrieb)
Getriebe Nr. 71-8250
Hinterachse (Antrieb)
Motor
Gehäuse
487/20914
487/20909 BC
487/20905
479
477
469
465/20781
465/20779
464
459/20824
459/20821
459/20821 B
459/20820 BC
458/20823
458/20822
457
456/20808
456/20808 B
456/20807 BC
456/20806 B
455/20803
455/20803 B
455/20802 BC
455/20801 B
453
449
439
437/22173
437/22157
437/22154
437/22154 B
437/22153 BC
434
424
421/20652
417/20832
417/20829
417/20827
416/20831
416/20828
416/20826
415/20817
415/20811
4-Takt
2-Takt Radantrieb
2-Takt
Elektro
Akku
Robin
Impressum
(C) by motoruf