Zurück zu
>
Roth / TORO
>
Handgeräte
>
Schneefräsen
>
zweistufig
>
1132
>
610/38160
>
9000001
>
Trommel
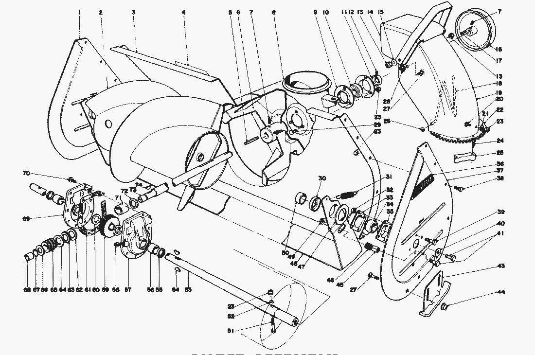
Ersatzteillisten für Toro Roth / TORO Trommel
Pos.
Bezeichnung
Ersatzteilnummer
1
Sideplate Auger R.H.
8-8450
2
Raeumschnecke
26-6180
Raeumschnecke
26-6190
3
Auger Housing
25-5110
4
Decal-Auger Warning
29-6350
5
Keil
6-8590
6
Impeller
19-8890
7
Schraube
3242-4
8
Aufsitzring
25-5170
9
Lagerschale
251-229
10
Lager Incl. Stellring
251-224
11
Stellring F. Lager
251-231
12
Schraube
3245-32
13
Locknut
32152-2
14
Deflector
11-7120
15
Scheibe
3290-340
16
Riemenscheibe
5-7400
17
Key
3-6857
18
Auswurfschutz
12-2040
19
Upper Chute
25-5440
20
Carriage Bolt
3230-18
21
Scheibe
3256-23
22
Swivel Plate
25-5290
23
MUTTER
3296-29
24
Schraube
27-0220
25
Fuehrungsstueck
25-5450
26
Mutter
3290-326
27
Schraube
3231-27
28
Scheibe
20-4320
29
Schraube
3230-1
Gebrauchsanweisungen
Toro
Roth / TORO
Aufsitzmäher
Handgeräte
Kehrmaschinen
Schneefräsen
Zubehör
zweistufig
1332 PowerShift
1232 PowerShift
1132 PowerShift
1132
610/38160
9000001
Graderschild (Modell-Nr. 59051)
Auswurf Verlängerung 26-1100
Wetterschutz (Modell-Nr. 12-8100)
12 V Anlasser 37-4640
Motor B&S Modell-Nr. 252416 Typ 0141-01 (Fortsetzung)
Motor B&S Modell-Nr. 252416 Typ 0141-01
Motor B&S Modell-Nr. 252416 Typ Nr. 0141-01
Starter Motor Modell-Nr. 37-4630
Holm (Fortsetzung)
Holm
Motor
Rad
Antrieb (Fortsetzung)
Antrieb
Trommel (Fortsetzung)
Trommel
7000001
6000001
5000001
4000001
3000001
2000001
1000001
0000001
1028 PowerShift
924 PowerShift
828 PowerShift
824 PowerShift
824 XL
824
724
624 PowerShift
622
521
3521
einstufig
Sauger/Bläser
Rasenmäher
Robin
Impressum
(C) by motoruf