Zurück zu
>
Roth / TORO
>
Handgeräte
>
Schneefräsen
>
einstufig
>
CCR 2000
>
618/38186
>
6900001
>
TeileMotor (Motor Modell 47PS5-5)
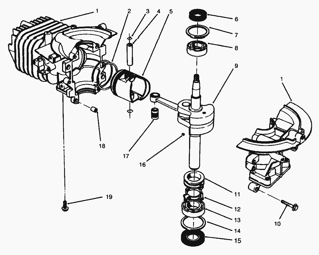
Ersatzteillisten für Toro Roth / TORO TeileMotor (Motor Modell 47PS5-5)
Pos.
Bezeichnung
Ersatzteilnummer
Short Block (Incl. Ref.
12-5909
Pos.
Bezeichnung
Ersatzteilnummer
1
Zylinder
81-4590
2
KOLBENRINGSATZ
81-0590
3
SICHERUNG
81-0620
4
Pin-Wrist
82-0600
5
KOLBEN
81-2140
6
SIMMERRING
81-0720
7
SCHEIBE
81-0710
8
LAGER
81-0690
9
Kurbelwelle
81-5700
10
SCHRAUBE
81-0540
11
REGLERRING
81-0770
12
REGLERHALTER
81-0750
13
LAGER
81-0700
14
SCHEIBE
81-0730
15
SIMMERRING
81-0740
16
STIFT
81-0760
17
PLEUELLAGER
81-0610
18
STIFT
81-0520
19
SCHRAUBE
81-0570
Gebrauchsanweisungen
Toro
Roth / TORO
Aufsitzmäher
Handgeräte
Kehrmaschinen
Schneefräsen
Zubehör
zweistufig
einstufig
Snow Commander
CCR 3650 GTS
CCR 3000
CCR 2450
CCR 2400
CCR 2000
618/38186
6900001
Starter (Motor Modell 47PS5-5)
Auspuff (Motor Modell 47PS5-5)
Regler (Motor Modell 47PS5-5)
Vergaser (Motor Modell 47PS5-5)
Schwungrad & Zündspule (Motor Modell 47PS5-5)
TeileMotor (Motor Modell 47PS5-5)
Holm
StarterMotor & Schalter Gehäuse
Betätigung, Paneele & Abdeckung
Rotor
Motor & Hauptrahmen
Grassauswurf
Antrieb
Gehäuse
5900001
4900001
3900001
2000001
1000001
0000001
618/38185 C
618/38181
618/38180 C
CR 1000
CR 20
CR 20 R
S 620
S 200
CCR Powerlite
Sauger/Bläser
Rasenmäher
Robin
Impressum
(C) by motoruf