Zurück zu
motoruf
Warenkorb

Ersatzteillisten für Toro Roth / TORO TeileMotor (Motor Modell 47PP3-5)




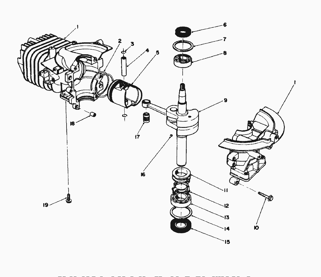
Pos.BezeichnungErsatzteilnummer
Short Block (Incl. Ref.12-5909
Ersatzteilliste


Pos.BezeichnungErsatzteilnummer
1Zylinder81-4590
2KOLBENRINGSATZ81-0590
3SICHERUNG81-0620
4Pin-Wrist82-0600
5KOLBEN81-0580
6SIMMERRING81-0720
7SCHEIBE81-0710
8LAGER81-0690
9Kurbelwelle81-5700
10SCHRAUBE81-0540
11REGLERRING81-0770
12REGLERHALTER81-0750
13LAGER81-0700
14SCHEIBE81-0730
15SIMMERRING81-0740
16STIFT81-0760
17PLEUELLAGER81-0610
18STIFT81-0520
19SCHRAUBE81-0570
Gebrauchsanweisungen
Toro
Impressum
(C) by motoruf