Zurück zu
>
Roth / TORO
>
Handgeräte
>
Rasenmäher
>
2-Takt
>
286/20910
>
0000001
>
Schwungrad & Zündspule (Motor Nr. 47PK9)
Ersatzteillisten für Toro Roth / TORO Schwungrad & Zündspule (Motor Nr. 47PK9)
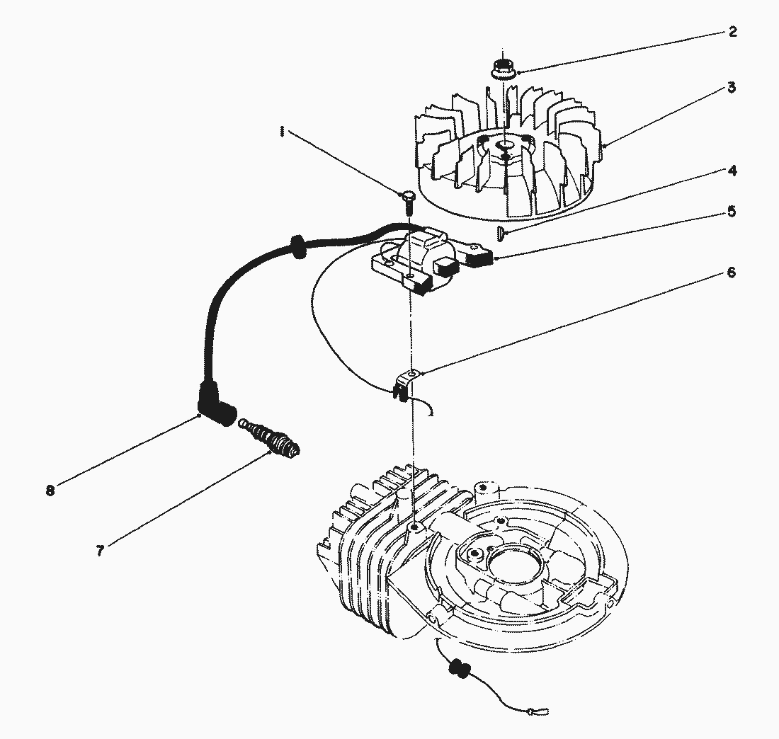
Pos.
Bezeichnung
Ersatzteilnummer
1
SCHRAUBE
81-5670
2
MUTTER
81-1330
3
SCHWUNGSCHEIBE
81-2810
4
KEIL
81-2370
5
ZUENDSPULE
81-2820
6
KLEMME
81-1480
7
ZUENDKERZE
81-0181
8
ZUENDKERZENSTECKER
81-1500
SCHWUNGRADABZIEHER TORO
41-7650
Gebrauchsanweisungen
Toro
Roth / TORO
Aufsitzmäher
Handgeräte
Kehrmaschinen
Schneefräsen
Sauger/Bläser
Rasenmäher
Grasfangvorrichtungen
4-Takt Radantrieb
4-Takt
2-Takt Radantrieb
2-Takt
286/20911 B
286/20910
0000001
Auspuff (Motor Nr. 47PK9)
Starter (Motor Nr. 47PK9)
Vergaser (Motor Nr. 47PK9)
Regler (Motor Nr. 47PK9)
Schwungrad & Zündspule (Motor Nr. 47PK9)
Kurbelwelle (Motor Nr. 47PK9)
Fangkorb
Holm (handgeschoben)
Hinterachse (geschoben)
Motor
Gehäuse (Fortsetzung)
Gehäuse
276
233
223
Elektro
Akku
Robin
Impressum
(C) by motoruf