Zurück zu
>
Roth / TORO
>
Handgeräte
>
Rasenmäher
>
Akku
>
180/21040
>
7900001
>
Schaltplan, Leitung & Seitauswurf
Ersatzteillisten für Toro Roth / TORO Schaltplan, Leitung & Seitauswurf
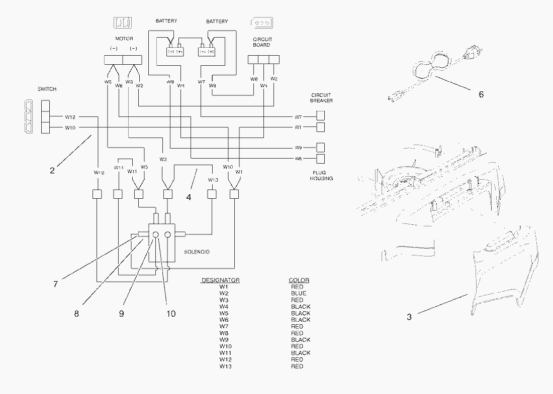
Pos.
Bezeichnung
Ersatzteilnummer
Decal-Positive
95-5158
2
Kabelbaum
95-5048
3
Grasleitstueck
95-5020
4
Kabelbaum
95-3254
Decal-Negative
95-5159
6
Ladekabel
95-5038
7
Mutter
3220-2
8
Federring
3253-4
9
Nut
3219-27
10
Federring
3253-25
Gebrauchsanweisungen
Toro
Roth / TORO
Aufsitzmäher
Handgeräte
Kehrmaschinen
Schneefräsen
Sauger/Bläser
Rasenmäher
Grasfangvorrichtungen
4-Takt Radantrieb
4-Takt
2-Takt Radantrieb
2-Takt
Elektro
Akku
180/21040
200000001
8900001
7900001
Schaltplan, Leitung & Seitauswurf
Holm & Betätigungen
Abdeckung & Mulchstopfen
Motor, Batterien & Messer
Gehäuse & Rad
Robin
Impressum
(C) by motoruf