Zurück zu
motoruf
Warenkorb

Ersatzteillisten für Toro Roth / TORO Motor




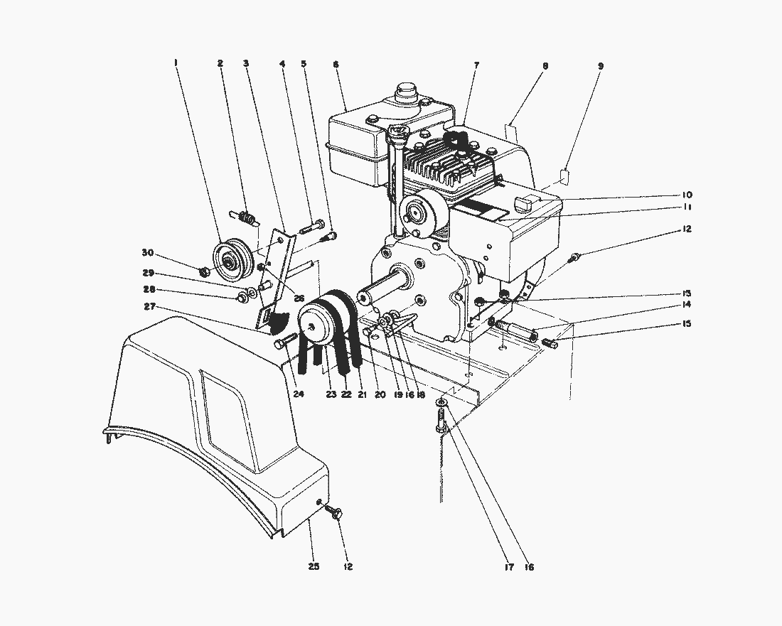
Pos.BezeichnungErsatzteilnummer
Auger Clutch Rod Assembly (Incl. Ref.8-8649
Ersatzteilliste


Pos.BezeichnungErsatzteilnummer
1Riemenscheibe3-4244
2Feder53-7570
4Schraube323-29
5Bolzen42-3560
6Gas Tank w/Cap52-2680
7Engine52-5610
8Decal-Primer39-3860
9Decal-Throttle37-8890
10Schild39-3840
11Decal-Hot Surface Warning53-7680
12Schraube32144-4
13MUTTER3296-29
14Drain Tube49-3040
15Gewindestuetzen281-7
16Scheibe3256-23
17Schraube322-7
18Belt Retainer37-8990
19Federring3255-8
20Schraube3210-3
21Keilriemen37-9090
22Keilriemen37-9080
23Riemenscheibe43-7370
24Schraube43-7290
25Belt Cover37-6900
26Mutter32152-4
27Brake Pad-Molded40-8140
28Sicherungskappe3290-320
29Scheibe3256-24
30Locknut32152-2
Gebrauchsanweisungen
Toro
Impressum
(C) by motoruf