Zurück zu
>
Roth / TORO
>
Handgeräte
>
Schneefräsen
>
zweistufig
>
824 PowerShift
>
628/38546
>
99000001
>
Motor
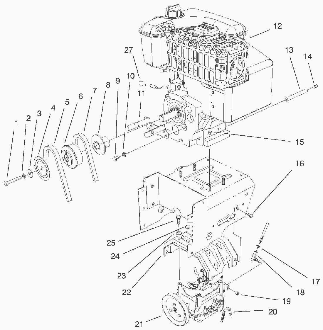
Ersatzteillisten für Toro Roth / TORO Motor
Pos.
Bezeichnung
Ersatzteilnummer
1
Schraube
3212-8
2
Federring
3253-6
3
Scheibe
3256-41
4
Riemenscheiben-Haelfte
62-0940
5
Keilriemen
63-2961
6
Riemenscheibe
62-0930
7
Keilriemen
63-2951
8
Nabe
62-0920
9
Schraube
3210-1
10
Federring
3253-4
11
Riemenfuehrung
68-7510-03
12
13
Verlaengerung
289-34
14
Hutmutter
288-2
15
Mutter
32128-20
16
Schraube
3234-7
17
Mutter
3220-3
18
Ball Joint
78-2920
19
Stopmutter
3296-6
20
Kette
63-2940
21
Getriebe F.Schneefraese
66-8030
22
Transmission Frame ASM
63-2990-03
23
Washer-Belleville
3290-461
24
Cap Plug
95-7947
25
Schraube
11-0590
27
Kappe
94-2782
Gebrauchsanweisungen
Toro
Roth / TORO
Aufsitzmäher
Handgeräte
Kehrmaschinen
Schneefräsen
Zubehör
zweistufig
1332 PowerShift
1232 PowerShift
1132 PowerShift
1132
1028 PowerShift
924 PowerShift
828 PowerShift
824 PowerShift
628/38546
99000001
120V Elektrostarter Nr. 33329D (wahlw.)
Starter Tecumseh
Starter
Motor Tecumseh (Modell
Motor Tecumseh (Modell
Vergaser Tecumseh
Antrieb
Holm
Antrieb Gestänge
Getriebe Nr. 66-8030 (Fortsetzung)
Getriebe Nr. 66-8030
Motor
Getriebegehäuse Nr. 74-1560
Gehäuse und Auswurf (Fortsetzung)
Gehäuse & Auswurf
628/38543
628/38540
824 XL
824
724
624 PowerShift
622
521
3521
einstufig
Sauger/Bläser
Rasenmäher
Robin
Impressum
(C) by motoruf