Zurück zu
>
Roth / TORO
>
Handgeräte
>
Schneefräsen
>
zweistufig
>
1132
>
610/38160
>
3000001
>
Motor
Ersatzteillisten für Toro Roth / TORO Motor
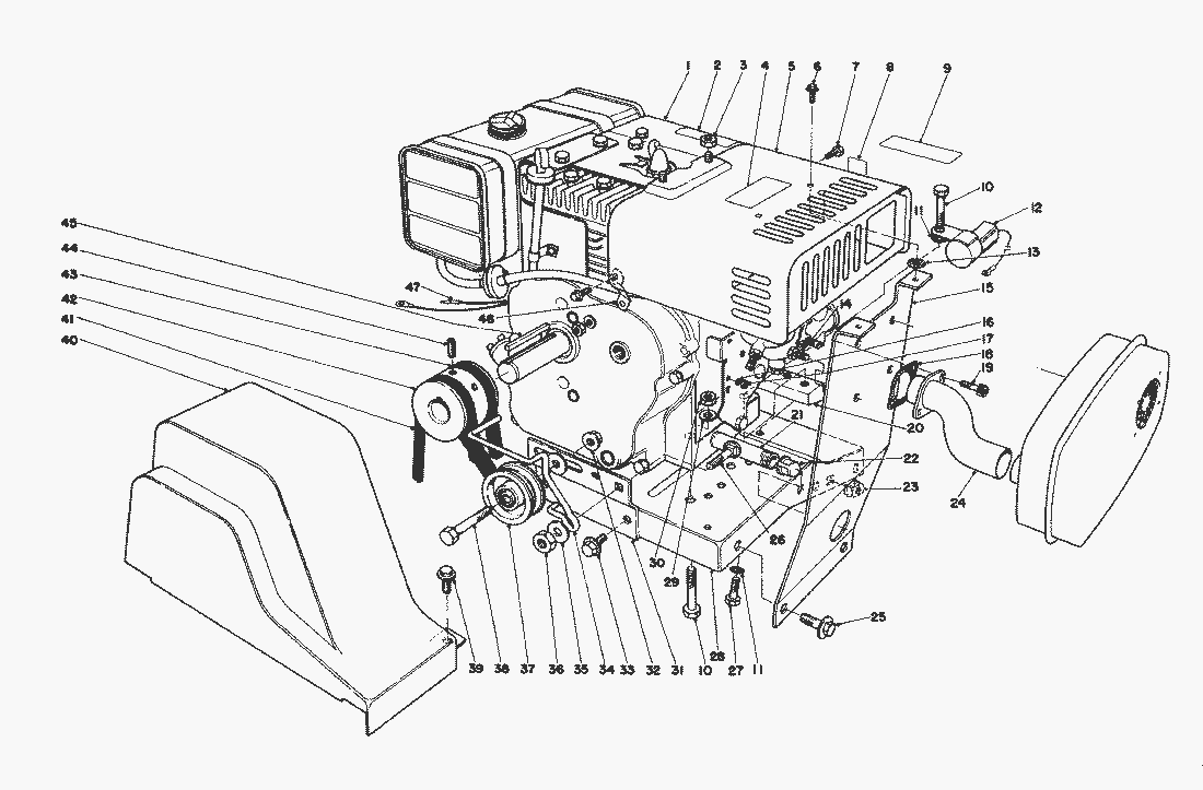
Pos.
Bezeichnung
Ersatzteilnummer
1
Engine
221-640
2
Decal-Hazards Caution
41-8540
3
Mutter
32153-3
4
Decal Hot Surface Warning
29-6390
5
Heater Box
39-1780
6
Schraube
12-3270
7
Screw
32144-12
8
Choke Decal
29-6400
9
Decal Syncro Balance
42-1740
10
Schraube
322-9
11
Federring
3254-2
12
Sicherheitsschalter
41-8610
13
Washer
25-1600
14
Schraube
32140-70
15
Muffler Mounting Bracket
39-1740
16
Federring
3254-10
17
Locknut
3296-1
18
Gasket
39-1810
19
Schraube
3274-12
20
Engine Mounting Block
22-8960
21
Rohrverlaengerung
289-20
22
Pipe Cap
2884
23
Retained Nut
3290433
24
Auspuffrohr
39-1800
25
Schraube
323-6
26
Schraube
3231-27
27
Schraube
322-3
28
Engine Base
43-7510
29
Scheibe
3256-23
30
MUTTER
3296-29
31
Bracket-Belt Idler
41-8580
32
Mutter
3290-357
33
Schraube
32144-15
34
Riemenfuehrung
41-8590
35
Scheibe
3256-24
36
Hex Locknut
32146-2
37
Riemenspannscheibe
244-63
38
Schraube
323-8
39
Schraube
32144-10
40
Keilriemenschutz
17-6550
41
Keilriemen
26-9670
42
Engine Pulley
214100
43
Keilriemen
17-6540
44
Set Screw
3246-14
45
Keil
5-0930
46
Brace Heater Box
39-1790
47
Wire
36-7490
Decal Replacement Serial Plate
25-9150
Gebrauchsanweisungen
Toro
Roth / TORO
Aufsitzmäher
Handgeräte
Kehrmaschinen
Schneefräsen
Zubehör
zweistufig
1332 PowerShift
1232 PowerShift
1132 PowerShift
1132
610/38160
9000001
7000001
6000001
5000001
4000001
3000001
Graderschild (Modell-Nr. 59099)
Auswurf Verlängerung 26-1100 (wahlw.)
Wetterschutz Modell 42-3380 (wahlw.)
Motor B&S Modell-Nr. 252416-0190-01 (Fortsetzung)
Motor B&S Modell-Nr. 252416-0190-01
12 V Anlasser 37-4640 (wahlw.)
Holm (Fortsetzung)
Holm
Rad
Motor
Antrieb (Fortsetzung)
Antrieb
Trommel
Trommel (Fortsetzung)
2000001
1000001
0000001
1028 PowerShift
924 PowerShift
828 PowerShift
824 PowerShift
824 XL
824
724
624 PowerShift
622
521
3521
einstufig
Sauger/Bläser
Rasenmäher
Robin
Impressum
(C) by motoruf