Zurück zu
>
Roth / TORO
>
Handgeräte
>
Schneefräsen
>
zweistufig
>
828 PowerShift
>
629/38545
>
9000001
>
Motor
Ersatzteillisten für Toro Roth / TORO Motor
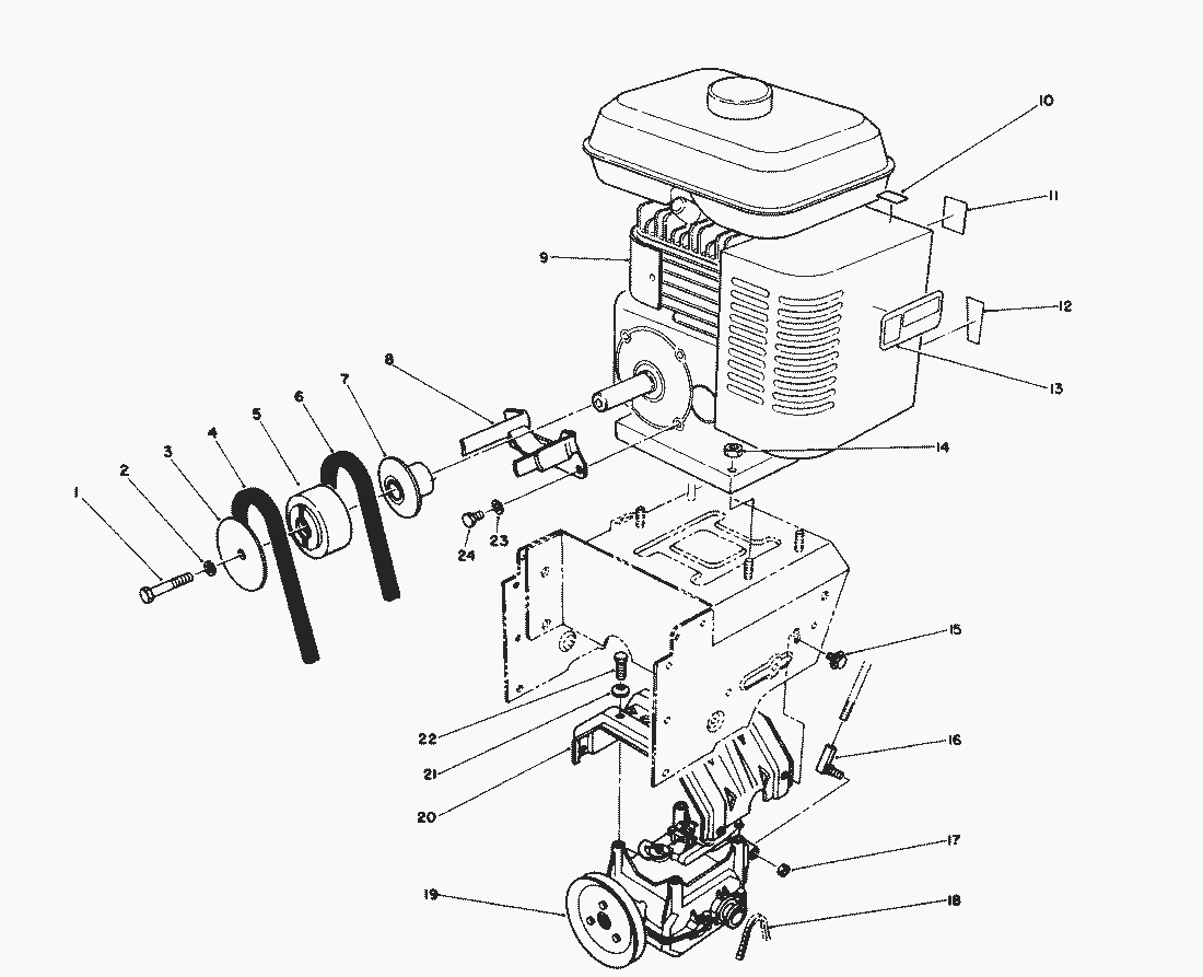
Pos.
Bezeichnung
Ersatzteilnummer
1
Schraube
3211-9
2
Federring
3253-21
3
Sheave Half-Impeller
62-0910
4
Keilriemen
63-2963
5
Hub-Sheave
62-0900
6
Belt-Traction
63-2952
7
Sheave Half-Traction
62-0890
8
Riemenfuehrung
68-7490
9
Engine-8 hp.
63-3010
Engine-8 hp. Serial No. 9000331 & Up
68-8290
10
Decal-Primer
63-2470
Decal-Primer
68-8540
11
Decal-Choke (Model No. 38505)
63-3490
12
Klebeschild
63-3190
13
Klebeschild
63-2310
14
Mutter
3290-357
15
Schraube
3234-7
16
Kugelgelenk
63-2640
17
Mutter
3296-39
18
Kette
63-2930
19
Getriebe F.Schneefraese
66-8030
20
Frame-Transmission
63-2990
21
Washer-Belleville
3290-461
22
Schraube
11-0590
23
Federring
3253-4
24
Schraube
3210-1
Gebrauchsanweisungen
Toro
Roth / TORO
Aufsitzmäher
Handgeräte
Kehrmaschinen
Schneefräsen
Zubehör
zweistufig
1332 PowerShift
1232 PowerShift
1132 PowerShift
1132
1028 PowerShift
924 PowerShift
828 PowerShift
629/38574
629/38545
9000001
Motor Nr. 68-8290 Kraftstoffsystem & Auspuff (Fortsetzung)
Motor Nr. 68-8290 Kraftstoffsystem & Auspuff (Serie Nr. 9000331 & höher)
Motor Nr. 68-8290 Zündung (Serie Nr. 9000331 & höher)
Motor Nr. 68-8290 Kurbelgehäuse (Fortsetzung)
Motor Nr. 68-8290 Kurbelgehäuse (Serie Nr. 9000331 & höher)
Motor Nr. 63-3010 Kraftstoffsystem & Auspuff (Fortsetzung)
Motor Nr. 63-3010 Kraftstoffsystem & Auspuff (Serie Nr. 9000101 bis 9000330)
Motor Nr. 63-3010 Zündung (Serie Nr. 9000101 bis 9000330)
Motor Nr. 63-3010 Kurbelgehäuse (Fortsetzung)
Motor Nr. 63-3010 Kurbelgehäuse (Serie Nr. 9000101 bis 9000330)
12 V Starter Motor Nr. 68-7250 (wahlw.)
Differential Bausatz Modell-Nr. 38038 (wahlw.)
Wetterschutz Nr. 68-9500 (wahlw.)
Beleuchtungssatz Nr. 66-7950 (wahlw.)
Holm
Seiten-Schneidschiene (wahlw.)
Antrieb Gestänge
Antrieb
Getriebe Nr. 66-8030 (Fortsetzung)
Getriebe Nr. 66-8030
Motor
Getriebegehäuse Nr. 66-8021
Gehäuse & Auswurf (Fortsetzung)
Gehäuse & Auswurf
8000001
824 PowerShift
824 XL
824
724
624 PowerShift
622
521
3521
einstufig
Sauger/Bläser
Rasenmäher
Robin
Impressum
(C) by motoruf