Zurück zu
>
Roth / TORO
>
Handgeräte
>
Schneefräsen
>
zweistufig
>
1132
>
610/38160
>
7000001
>
Motor
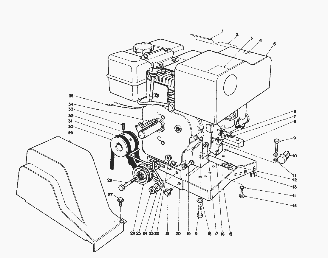
Ersatzteillisten für Toro Roth / TORO Motor
Pos.
Bezeichnung
Ersatzteilnummer
1
Decal-Hazards Caution
54-9750
2
Decal Syncro Balance
42-1740
3
Decal-Hot Surface Warning
53-7680
4
Decal-Primer
39-3860
5
6
Federring
3254-10
7
Stopmutter
3296-54
8
Engine Mounting Block
22-8960
9
Schraube
322-9
10
Sicherheitsschalter
41-8610
11
Federring
3254-2
12
Oelablasschraube
288-4
13
Mutter
3290-433
14
Schraube
322-3
15
Engine Base
43-7510
16
Rohrverlaengerung
289-20
17
MUTTER
3296-29
18
Scheibe
3256-23
19
Schraube
3231-27
20
Bracket-Belt Idler
41-8580
21
Hex Hd. Thread Forming Screw
32144-69
22
Mutter
3290-357
23
Riemenfuehrung
41-8590
24
Scheibe
3256-24
25
Mutter
3296-39
26
Riemenspannscheibe
244-63
27
Schraube
32144-10
28
Schraube
323-8
29
Keilriemenschutz
17-6550
30
Engine Pulley
21-4100
31
Keilriemen
26-9670
32
Keilriemen
17-6540
33
Set Screw
3246-14
34
Keil
5-0930
35
Wire
36-7490
Gebrauchsanweisungen
Toro
Roth / TORO
Aufsitzmäher
Handgeräte
Kehrmaschinen
Schneefräsen
Zubehör
zweistufig
1332 PowerShift
1232 PowerShift
1132 PowerShift
1132
610/38160
9000001
7000001
Motor B&S Modell-Nr. 252416-0735-01 (Fortsetzung)
Motor B&S Modell-Nr. 252416-0735-01
Graderschild (Modell-Nr. 59099)
Auswurf Verlängerung 26-1100 (wahlw.)
Wetterschutz Modell 42-3380
12 V Anlasser 42-3370 (wahlw.)
Starter Motor Modell-Nr. 37-4630 (wahlw.)
Holm (Fortsetzung)
Holm
Motor
Rad
Antrieb (Fortsetzung)
Antrieb
Trommel (Fortsetzung)
Trommel
6000001
5000001
4000001
3000001
2000001
1000001
0000001
1028 PowerShift
924 PowerShift
828 PowerShift
824 PowerShift
824 XL
824
724
624 PowerShift
622
521
3521
einstufig
Sauger/Bläser
Rasenmäher
Robin
Impressum
(C) by motoruf