Zurück zu
>
Roth / TORO
>
Handgeräte
>
Schneefräsen
>
zweistufig
>
521
>
622/38035
>
8000001
>
Motor
Ersatzteillisten für Toro Roth / TORO Motor
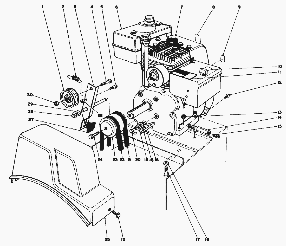
Pos.
Bezeichnung
Ersatzteilnummer
Auger Clutch Rod Assembly (Incl. Ref.
8-8649
Pos.
Bezeichnung
Ersatzteilnummer
1
Riemenscheibe
3-4244
2
Feder
53-7570
4
Schraube
323-29
5
Bolzen
42-3560
6
Gas Tank w/Cap
52-2680
7
8
Klebeschild
62-5760
9
Decal-Throttle
63-2450
10
Schild
39-3840
11
Decal-Hot Surface (Model No. 38500)
62-7290
12
Hex Tapping Screw
321444
13
MUTTER
3296-29
14
Drain Tube
49-3040
15
Gewindestuetzen
281-7
16
Scheibe
3256-23
17
Schraube
322-7
18
Belt Retainer
37-8990
19
Federring
3255-8
20
Schraube
3210-3
21
Keilriemen
37-9090
22
Keilriemen
37-9080
23
Riemenscheibe
43-7370
24
Schraube
43-7290
25
Belt Cover
37-6900
26
Mutter
32152-4
27
Brake Pad-Molded
40-8140
28
Sicherungskappe
3290-320
29
Scheibe
3256-24
30
Locknut
32152-2
Gebrauchsanweisungen
Toro
Roth / TORO
Aufsitzmäher
Handgeräte
Kehrmaschinen
Schneefräsen
Zubehör
zweistufig
1332 PowerShift
1232 PowerShift
1132 PowerShift
1132
1028 PowerShift
924 PowerShift
828 PowerShift
824 PowerShift
824 XL
824
724
624 PowerShift
622
521
622/38054
622/38035
9000001
8000001
Rücklaufstarter Nr. 590604
Vergaser Nr. 632378
Motor Tecumseh (Modell H35-45598S) (Fortsetzung)
Motor Tecumseh (Modell H35-45598S)
Beleuchtungssatz Nr. 54-9821 (wahlw.)
StarterMotor Nr. 23-3790
Graderschild Modell 59099 (wahlw.)
Seiten-Schneidschiene Nr. 37-7020 (wahlw.)
Holm
Motor
Antrieb
Trommel
Trommel (Fortsetzung)
7000001
6000001
5000001
4000001
3521
einstufig
Sauger/Bläser
Rasenmäher
Robin
Impressum
(C) by motoruf