Zurück zu
>
Roth / TORO
>
Handgeräte
>
Schneefräsen
>
zweistufig
>
828 PowerShift
>
629/38574
>
2000001
>
Motor
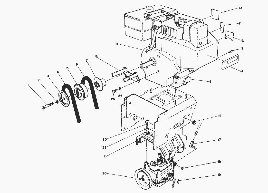
Ersatzteillisten für Toro Roth / TORO Motor
Pos.
Bezeichnung
Ersatzteilnummer
1
Schraube
3212-8
2
Federring
3253-6
3
Sheave Half-Impeller
63-0940
4
Keilriemen
63-2962
5
Tragarm
63-0930
6
Keilriemen
63-2951
7
Buechse
63-0920
8
Guide-Belt
68-7510
9
10
Klebeschild
62-5760
11
Klebeschild
63-3190
12
Klebeschild
63-2410
13
Schraube
32144-4
14
Klebeschild
63-2310
15
Mutter
32128-20
16
Schraube
3234-7
17
Kugelgelenk
63-2640
18
Mutter
3296-39
19
Kette
63-2930
20
Getriebe F.Schneefraese
66-8030
21
Frame-Transmission
63-2990
22
Washer-Belleville
3290-461
23
Schraube
11-0590
24
Federring
3253-4
25
Schraube
3210-1
Gebrauchsanweisungen
Toro
Roth / TORO
Aufsitzmäher
Handgeräte
Kehrmaschinen
Schneefräsen
Zubehör
zweistufig
1332 PowerShift
1232 PowerShift
1132 PowerShift
1132
1028 PowerShift
924 PowerShift
828 PowerShift
629/38574
2000001
Rücklaufstarter Tecumseh Nr. 590630
Motor Tecumseh (Modell-Nr. HM80-155386P) (Fortsetzung)
Motor Tecumseh (Modell-Nr. HM80-155386P)
Vergaser Tecumseh Nr. 632334A
Elektrostarter Nr. 37-4810 (wahlw.)
Differential Bausatz Modell-Nr. 38038 (wahlw.)
Wetterschutz Nr. 68-9500 (wahlw.)
Beleuchtungssatz Nr. 66-7930 (wahlw.)
Seiten-Schneidschiene (wahlw.)
Holm
Antrieb Gestänge
Antrieb
Getriebe Nr. 66-8030 (Fortsetzung)
Getriebe Nr. 66-8030
Motor
Getriebegehäuse Nr. 74-1561
Gehäuse & Auswurf (Fortsetzung)
Gehäuse & Auswurf
1000001
0000001
629/38545
824 PowerShift
824 XL
824
724
624 PowerShift
622
521
3521
einstufig
Sauger/Bläser
Rasenmäher
Robin
Impressum
(C) by motoruf