Zurück zu
>
Roth / TORO
>
Handgeräte
>
Schneefräsen
>
zweistufig
>
624 PowerShift
>
627/38510
>
1000001
>
Motor
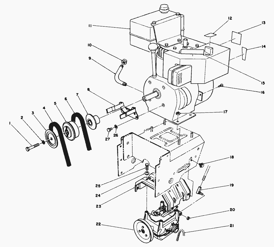
Ersatzteillisten für Toro Roth / TORO Motor
Pos.
Bezeichnung
Ersatzteilnummer
1
Schraube
3211-9
2
Federring
3253-21
3
Sheave Half-Impeller
63-3320
4
Keilriemen
63-2961
5
Riemenscheibenhaelfte
63-3310
6
Keilriemen
63-2951
7
Riemen-Haelfte
63-3300
8
Guide-Belt
68-7510
9
Oelablassrohr
67-9290
10
Hutmutter
288-2
11
12
Decal-Choke (Model No. 38510)
63-2420
Decal-Choke (Model No. 38513)
63-2430
13
Klebeschild
62-5760
14
Klebeschild
63-3190
15
Decal-Hot Surface (Model No. 38510 Only)
66-6840
Klebeschild
63-2310
16
Schraube
32144-4
17
Mutter
32128-20
18
Schraube
3234-7
19
Kugelgelenk
63-2640
20
Mutter
3296-39
21
Kette
63-2940
22
Getriebe F.Schneefraese
66-8030
23
Frame-Transmission
63-2990
24
Washer-Belleville
3290-461
25
Schraube
11-0590
26
Federring
3253-4
27
Schraube
3210-1
Gebrauchsanweisungen
Toro
Roth / TORO
Aufsitzmäher
Handgeräte
Kehrmaschinen
Schneefräsen
Zubehör
zweistufig
1332 PowerShift
1232 PowerShift
1132 PowerShift
1132
1028 PowerShift
924 PowerShift
828 PowerShift
824 PowerShift
824 XL
824
724
624 PowerShift
627/38513
627/38510
9000001
8000001
2000001
1000001
Rücklaufstarter Tecumseh Nr. 590604
Motor Tecumseh (Modell-Nr. H60-75504W (Fortsetzung)
Motor Tecumseh (Modell-Nr. H60-75504X)
Vergaser Tecumseh Nr. 632379A
Elektrostarter Motor Nr. 38-7590 (wahlw.)
Differential Bausatz Modell-Nr. 38038 (wahlw.)
Wetterschutz Nr. 68-9500 (wahlw.)
Beleuchtungssatz Nr. 66-7930 (wahlw.)
Seiten-Schneidschiene (wahlw.)
Holm
Antrieb Gestänge
Antrieb
Getriebe Nr. 66-8030 (Fortsetzung)
Getriebe Nr. 66-8030
Motor
Getriebegehäuse Nr. 66-8020
Gehäuse & Auswurf (Fortsetzung)
Gehäuse & Auswurf
0000001
627/38505
622
521
3521
einstufig
Sauger/Bläser
Rasenmäher
Robin
Impressum
(C) by motoruf