Zurück zu
motoruf
Warenkorb

Ersatzteillisten für Toro Roth / TORO Motor & Hauptrahmen




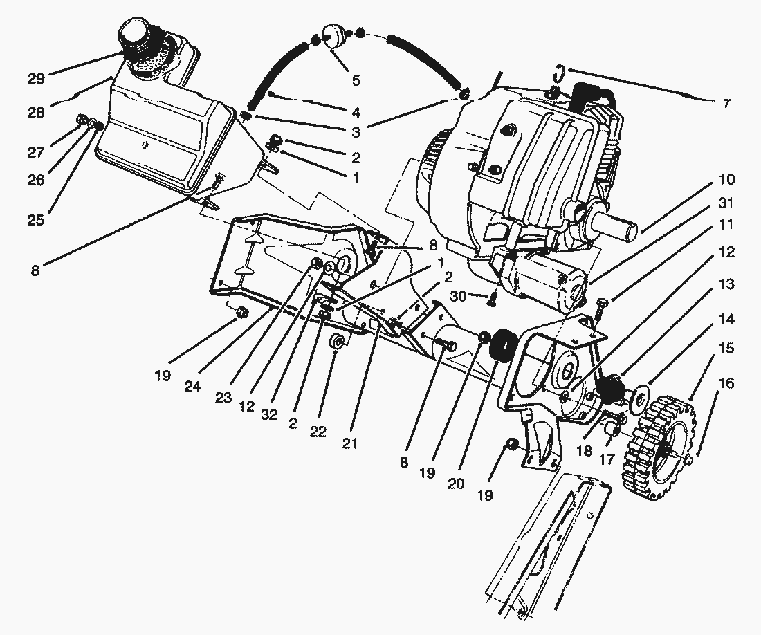
Pos.BezeichnungErsatzteilnummer
Tank-Fuel (Incl. Ref.13-2459
Ersatzteilliste


Pos.BezeichnungErsatzteilnummer
1scheibe3256-22
2MUTTER3296-42
3Klemme2412-98
4Benzinleitung49-2481
5BENZINVORFILTER56-6360
7Kabelband250-4
8Schraube321-4
10Engine Assembly62-6723
11Schraube322-3
12Tellerscheibe3290-456
13Halterung55-9460
14Tube-Spacer55-9470
15Rad66-6510
16Wellensicherung32112-14
17Distanzbuechse66-6501
18SCHRAUBE81-0570
19MUTTER3296-29
20Halterung55-9450
21Support-Recoil55-9070
22Distanzbuechse66-6500
23Mutter81-0300
24Frame Assembly63-3750
25Gummiring237-89
26Scheibe3256-23
27Mutter32152-8
29Dichtung55-9310
30Schraube56-6380
31Motor Assembly84-5292
32Seillklemme2412-91
Gebrauchsanweisungen
Toro
Impressum
(C) by motoruf