Zurück zu
>
Roth / TORO
>
Handgeräte
>
Schneefräsen
>
zweistufig
>
1028 PowerShift
>
635/38559
>
200000001
>
Motor & Getriebe
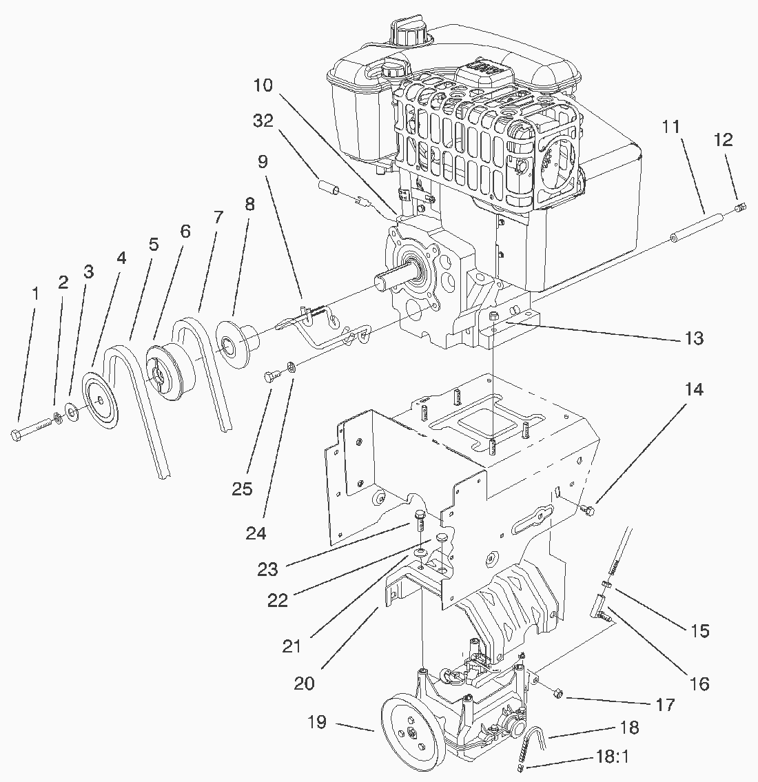
Ersatzteillisten für Toro Roth / TORO Motor & Getriebe
Pos.
Bezeichnung
Ersatzteilnummer
1
Schraube
3212-8
2
Federring
3253-6
3
Scheibe
3256-41
4
Riemenscheiben-Haelfte
62-0940
5
Keilriemen
63-2962
6
Riemenscheibe
62-0930
7
Keilriemen
63-2951
8
Nabe
62-0920
9
Riemenfšhrung
100-3432
10
102
Cord-Extention (only on: 38064)
99-9300
11
Verlaengerung
289-34
12
Hutmutter
288-2
13
Mutter
32128-20
14
Schraube
3234-7
15
Mutter
3220-3
16
Ball Joint
78-2920
17
Stopmutter
3296-6
18
Kette
63-2930
181
Kettenglied Gekroepft
2710-15
19
Getriebe F.Schneefraese
66-8030
20
Transmission Frame ASM
63-2990-03
21
Washer-Belleville
3290-461
22
Cap Plug
95-7947
23
Schraube
11-0590
24
Federring
3253-4
25
Schraube
3210-3
26
Scheibe
3256-41
27
Kettenglied Gekroepft
2710-15
32
Kappe
94-2782
Gebrauchsanweisungen
Toro
Roth / TORO
Aufsitzmäher
Handgeräte
Kehrmaschinen
Schneefräsen
Zubehör
zweistufig
1332 PowerShift
1232 PowerShift
1132 PowerShift
1132
1028 PowerShift
635/38559
220000001
210000001
200000001
Starter Nr. 590749
Starter Nr. 590733 (wahlw.)
Elektrostarter Nr. 33329E (wahlw. bei: 38559)
Vergaser Nr. 640169
Motor Tecumseh OHSK100-221607A (nur bei: 38559)
Motor Tecumseh OHSK100-221607A (nur bei: 38559)
Motor Tecumseh OHSK100-221606A (nur bei: 38560)
Motor Tecumseh OHSK100-221606A (nur bei: 38560)
unterer Antrieb (Fortsetzung)
unterer Antrieb
Scheinwerfer Nr. 54-9871 (nur bei: 38559)
Holm &Betätigung (Fortsetzung)
Holm & Betätigung
Power Shift Betätigung (Fortsetzung)
Power Shift Betätigung
Antrieb Getriebegehäuse Nr. 66-8030 (Fortsetzung)
Antrieb Getriebegehäuse Nr. 66-8030
Motor & Getriebe
Getriebegehäuse Nr. 74-1561
Gehäuse & Motor Rahmen (Fortsetzung)
Gehäuse & Motor Rahmen
99000001
635/38555
924 PowerShift
828 PowerShift
824 PowerShift
824 XL
824
724
624 PowerShift
622
521
3521
einstufig
Sauger/Bläser
Rasenmäher
Robin
Impressum
(C) by motoruf