Zurück zu
>
Roth / TORO
>
Handgeräte
>
Schneefräsen
>
einstufig
>
CR 1000
>
603/38195
>
49000001
>
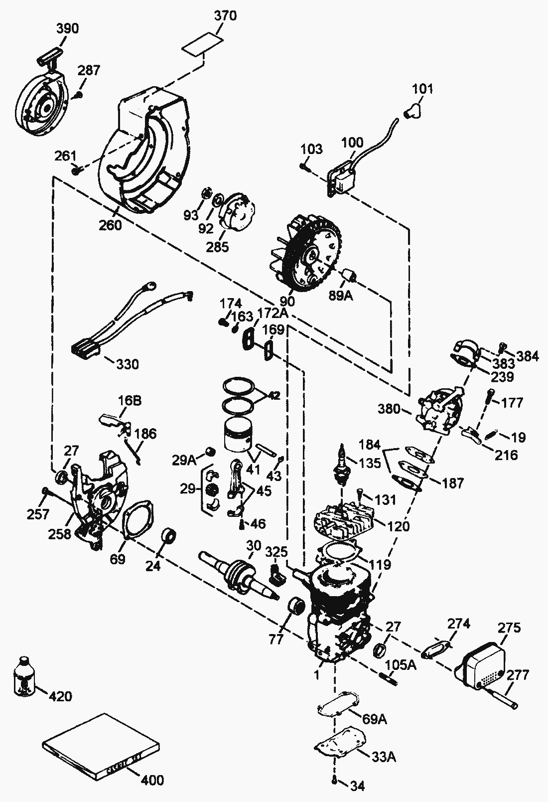
Motor Tecumseh Modell-Nr. HSK600-1681S (Modell-Nr. 38196)
Ersatzteillisten für Toro Roth / TORO Motor Tecumseh Modell-Nr. HSK600-1681S (Modell-Nr. 38196)
Pos.
Bezeichnung
Ersatzteilnummer
1
16
Vane Assy.-Air
490291A
19
Spring-Governor
570707
24
Lager
530110
27
Simmerring
510319
29
Lager
530150
29
Bearing, Cartridge
530104A
30
Kurbelwelle
290602
33
Abdeckplatte
570644
34
Schraube
650579
41
Piston & Pin Assembly (Incl. Ref.
310283A
42
Ring Set, Piston
310190
43
Kolbenbolzensicherung
310167
45
Rod Assy.-Connecting (Incl. Ref.
310235B
46
Pleuelschraube
650633
69
Gasket-Housing Base
510292A
69
Gasket-Cover
510323A
77
*** keine Bezeichnung vorhanden
53-105
89
Buechse
611032
90
Flywheel
611066
92
Scheibe
650815
93
Mutter
650390
100
Lamination & Coil Assy., Solid State (Incl.
34443A
101
Cover, Spark Plug
610118
103
Schraube
650814
105
Stud
650796
119
Gasket-Cylinder Head
510274A
120
Head-Cylinder
250240B
131
Screw, Pan Flex Hd.
650477
135
Plug, Spark (RCJ-8Y or equivalent)
611049
163
Washer, Flat
650838
169
Gasket-Cover
510325A
172
Membranplatte
570708
174
Schraube
650579
177
Schraube
650959
184
Gasket-Carburetor
510326A
186
Reglergestaenge
490322
187
*** keine Bezeichnung vorhanden
570428A
216
Hebel
570645
239
Dichtung
35815
257
Screw-Sternantrieb Pan Hd.
650911
258
Grundplatte
350422
260
*** keine Bezeichnung vorhanden
350437
261
Schraube
650737
274
Exhaust Gasket
510346A
275
Auspuff
390330
277
Schraube
650869
285
Starterglocke
590551
287
Schraube
650926
325
Klemme
29443
330
Wire Assembly
611153
370
Decal-Caution
35977
380
Vergaser
632641
383
Blech
570434
384
Screw, Rd. Hd.
650229
390
*** keine Bezeichnung vorhanden
590652
400
*** keine Bezeichnung vorhanden
510324
420
Oil-2 Cycle (8 oz.)
730227A
Gebrauchsanweisungen
Toro
Roth / TORO
Aufsitzmäher
Handgeräte
Kehrmaschinen
Schneefräsen
Zubehör
zweistufig
einstufig
Snow Commander
CCR 3650 GTS
CCR 3000
CCR 2450
CCR 2400
CCR 2000
CR 1000
603/38196
603/38195
69000001
59000001
49000001
Vergaser Nr. 632641
Starter Nr. 590652
Motor Tecumseh Modell-Nr. HSK600-1681S (Modell-Nr. 38196)
Motor Tecumseh Modell-Nr. HSK600-1667S (Modell-Nr. 38195)
Holm
StarterMotor
Motor & Rahmen
Rotor
Rotorgehäuse
oberer Abdeckung (Fortsetzung)
oberer Abdeckung
39000001
2000001
1000001
0000001
603/38191
CR 20
CR 20 R
S 620
S 200
CCR Powerlite
Sauger/Bläser
Rasenmäher
Robin
Impressum
(C) by motoruf