Zurück zu
>
Roth / TORO
>
Handgeräte
>
Schneefräsen
>
zweistufig
>
624 PowerShift
>
627/38510
>
0000001
>
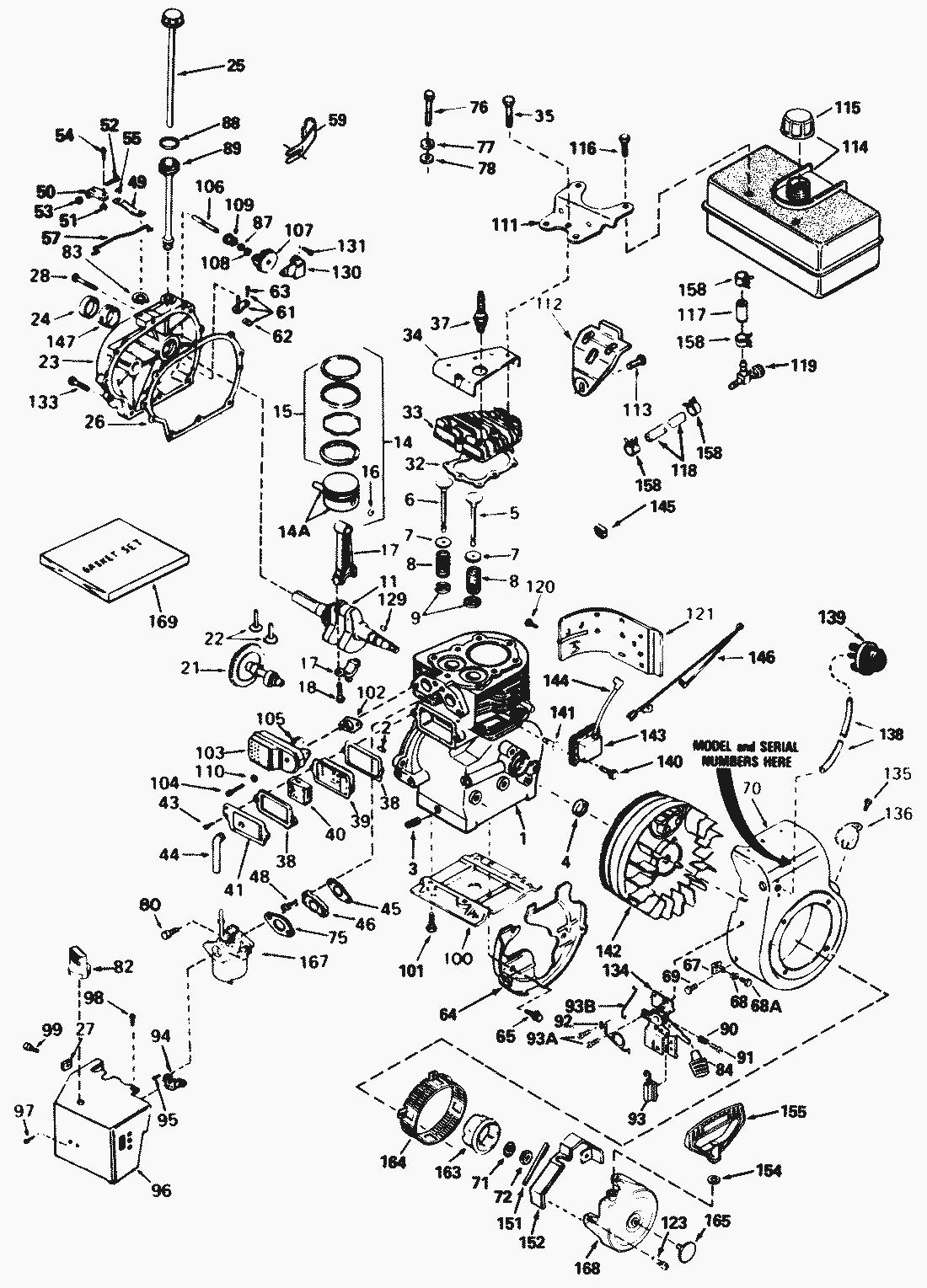
Motor Tecumseh (Modell-Nr. H60-75504X)
Ersatzteillisten für Toro Roth / TORO Motor Tecumseh (Modell-Nr. H60-75504X)
Pos.
Bezeichnung
Ersatzteilnummer
Piston Pin & Ring Assy. (.02 OS.)(Incl. Ref. #14A-16) 15 3_280012 1 38510 Piston Pin & Ring Assy. (.02 OS.)(Incl. Ref.
34533
Valve, Exhaust (Std.) (Incl. Ref.
27878A
Head-Cylinder (Incl. 3 Ref.
30938A
Valve, Exhaust (1/32 Oversize) (Incl. Ref. #47) 44 52 2_227012 1 38080 Valve, Exhaust (1/32 Oversize) (Incl. Ref.
27880A
Flange-Carburetor (Incl. Ref.
34712
Clyinder (Incl.Ref.
34919A
Cylinder Cover Assy. (Incl. Ref.
31303B
Piston & Pin Assy. (.02 OS.)(Incl. Ref. #16) 18 3_280012 1 38510 Piston & Pin Assy. (.02 OS.)(Incl. Ref.
33314B
Rod Assy., Governor (Incl. Ref.
30699C
Piston Pin & Ring Assy. (.01 OS.)(Incl. Ref. #14A-16) 14 3_280012 1 38510 Piston Pin & Ring Assy. (.01 OS.)(Incl. Ref.
34532
Piston & Pin Assy. (.01 OS.)(Incl. Ref. #16) 17 3_280012 1 38510 Piston & Pin Assy. (.01 OS.)(Incl. Ref.
33313B
Piston & Pin Assy. (Std.)(Incl. Ref.
33312B
Connecting Rod Assy. (Incl. Ref.
31380C
Pos.
Bezeichnung
Ersatzteilnummer
2
Haltedorn
27652
3
Oelablass-Schraube
27642
4
Wellendichtung
32630
5
Einlassventil
32783
Einlassventil
32784
7
Federteller
27882
8
Spring, Valve
27881
9
Ventilteller
32581
11
Crankshaft
35562
14
Kolben + Ringe s
34531
15
Kolbenringsatz
34854
Kolbenringsatz
34855
Kolbenringe
34856
16
Kolbenbolzensicher.
27888
18
Screw-Connecting Rod
650662C
21
Camshaft
32115
22
Ventilstoessel
34034
24
Seal-Oil
28427
25
Oelmessstab
35555
26
Oelwannendichtung
30684
27
Nut-U Type
650764
28
Screw, Hex Hd.
650488
32
Gasket-Cylinder Head
28938C
34
Cover-Cylinder Head
30939A
35
&rew-Hex. Flange Hd.
650697A
37
Spark Plug, Resistor (Champion RJ-19LM)
35395
38
Gasket-Breather
27896A
39
Ventildeckeleinsatz
28423
40
Filter
28424
41
Entluefterdeckel
28425
43
Schraube
650128
44
Entlueftungsschlauch
35350
45
Gasket-Intake Pipe
27915A
48
Screw-Fil. Hd.
30196
49
Hebel
33454
50
Clamp, Governor Lever
29916
51
Locknut, Hex
30322
52
Schraube
29826
53
Mutter
29216
54
Screw, Hex Washer Hd.
650548
55
Lockwasher, E.T.
29918
57
Reglergestaenge
34661
59
Clip, Fill Tube
35540
62
Klemme s
30700
63
Screw, Fil. Hd.
650494
64
Baffle, Blower Housing
35326
65
Schraube
650561
67
Bracket, Grommet Mounting
34126
68
Grommet, Plastic
28545
68
Schraube
650760
69
Screw, Phil. Hex Hd.
29747B
70
Blower Housing Assy. (Incl. Ref
35260
71
Scheibe
650815
72
Nut-Flywheel
650871
75
Gasket-Carburetor
31688A
76
&rew-Hex. Flange Hd.
650697A
77
Washer-Belleville
650690
78
Washer, Flat
650691
80
Screw-Hex. Hd.
650517
82
Knopf
35439
83
Ring, Retaining
29642
84
Knopf
35440
87
Washer-Flat
35479
88
O.Ring
35499
89
Oelrohr
35554
90
Druckfeder
31342
91
Screw, Fil. Hd.
650549
92
Feder
34663
93
Kurzschlusschalter
610973
93
Screw, Hex Washer Hd. Thread Cutting
650821
93
Hebel
34662
94
Halteblech
32398
95
Schraube
28820
96
Cover-Carburetor
35060
97
Schraube
650257
98
Schraube
650765
99
Schraube
650760
100
Motor-Unterlage
29538
Gebrauchsanweisungen
Toro
Roth / TORO
Aufsitzmäher
Handgeräte
Kehrmaschinen
Schneefräsen
Zubehör
zweistufig
1332 PowerShift
1232 PowerShift
1132 PowerShift
1132
1028 PowerShift
924 PowerShift
828 PowerShift
824 PowerShift
824 XL
824
724
624 PowerShift
627/38513
627/38510
9000001
8000001
2000001
1000001
0000001
Rücklaufstarter Tecumseh Nr. 590604
Motor Tecumseh (Modell-Nr. H60-75504W (Fortsetzung)
Motor Tecumseh (Modell-Nr. H60-75504X)
Vergaser Tecumseh Nr. 632379A
Elektrostarter Motor Nr. 38-7590 (wahlw.)
Differential Bausatz Modell-Nr. 38038 (wahlw.)
Wetterschutz Nr. 68-9500 (wahlw.)
Beleuchtungssatz Nr. 66-7930 (wahlw.)
Seiten-Schneidschiene (wahlw.)
Holm
Antrieb Gestänge
Antrieb
Getriebe Nr. 66-8030 (Fortsetzung)
Getriebe Nr. 66-8030
Motor
Getriebegehäuse Nr. 66-8020
Gehäuse & Auswurf (Fortsetzung)
Gehäuse & Auswurf
627/38505
622
521
3521
einstufig
Sauger/Bläser
Rasenmäher
Robin
Impressum
(C) by motoruf