Zurück zu
motoruf
Warenkorb

Ersatzteillisten für Toro Roth / TORO Motor B&S




Ersatzteilliste


Pos.BezeichnungErsatzteilnummer
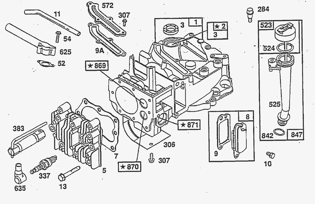
1Zylinder493260
2Bushing-Cylinder Note: Requires special tools for installation.293708
3Seal-Oil299819
5Head-Cylinder214349
7Gasket-Cylinder Head272916
8Entluefter495786
9Gasket-Breather272481
9ADichtung272238
10Schraube94650
11Tube-Breather231685
13Screw-Cylinder Hd.94547
52Gasket-Intake Elbow272199
54Screw-Intake Elbow Mtg.94526
284Screw-Hex Head94511
306Shield-Cylinder224324
307Screw-Hex Head94515
337Zuendkerze802592
383Wrench-Spark Plug89838
523Oelmesstab495264
524Seal-Filler Tube280393
525Oeleinfuellrohr495265
572Baffle-Cylinder224328
625Tube-Fuel Intake492717
635Elbow-Spark Plug66538
842O.RING17X2,5 B&S280966
847Oeleinfuellrohr M. Messt.495263
869Seat-Intake Valve (Standard)213512
870Seat-Exhaust Valve (Standard)213513
871Buechse262001
871Buechse63709
16*** keine Bezeichnung vorhanden493362
24Key-Flywheel222698
25Kolben Mit Ringen493262
25Kolben Mit Ringen 010493385
25Piston Assy.-.020 O.S. 21 _8530010 1 20900 Piston Assy.-.020 O.S.493386
25Piston Assy.-.030 O.S. 22 _8530010 1 20900 Piston Assy.-.030 O.S.493387
26Kolbenringe493261
26Kolbenringe 010493388
26Kolbenringe493389
26Ring Set-.030 O.S. Piston 26 _8530010 1 20900 Ring Set-.030 O.S. Piston493390
27Kolbenbolzensicherung26026
28Kolbenbolzen298909
28Pin Assy., Piston, .005 O.S. 41 0811A012 1 62912 Pin Assy., Piston, .005 O.S.298908
29Pleuel490566
29Conn. Rod With .020 Undersize Crankpin Bearing 59 _4650012 1 20803B Conn. Rod With .020 Undersize Crankpin Bearing490743
32Schraube94699
33Valve-Exhaust262651
34Valve-Intake262652
35Ventilfeder262224
40Ventilteller93312
45Tappet-Valve262204
227Lever Assembly-Governor492349
230Washer-Governor Crank67072
562Bolzen92613
592Mutter231082
615Pushnut (Governor Crank)94474
616Crank-Governor262578
741Zahnrad262598
12Gasket-Crankcase272198
15Plug-Oil Drain94720
18Oelwanne493279
20Seal-Oil399781
22Screw-Sump Mtg. Sem94220
46Nockenwelle492830
47Oil Slinger Gear and Brkt.493737
98Screw Assy.-Speed Adj.493280
188AScrew-Hex. Head94644
201Link-Governor262579
209*** keine Bezeichnung vorhanden263042.
447*** keine Bezeichnung vorhanden93801
605A*** keine Bezeichnung vorhanden224509
618Spring-Choke Return262749
620Bracket-Carburetor497203
670AScheibe F. Vergaser493823
95Schraube94098
98ASchraube398185
104Pin-Float Hinge231371
108Valve-Choke223471
116
118Duese493765
124Schraube94525
125AVergaser494217
127
130ADrosselklappen223470
131Welle493267
133SCHWIMMER398187
134Nadelventil398188
137
141Welle494218
617Seal-Fuel Intake Tube270344
634
955ASchraube493637
975Schwimmerkappe Kpl.493640
163Gasket-Air Cleaner272653
258Screw-Hex. Head94512
265*** keine Bezeichnung vorhanden213146
267*** keine Bezeichnung vorhanden94694
529Grommet-Breather281299
606Strap-Bracket224815
621Switch-Stop396847
922Spring-Brake262640
923Brake Assembly493442
966Luftfilterplatte496116
967LUFTFILTER 133X114X19491588
968Cover-Air Cleaner281340
969Screw-Cover Mtg.94120
971Screw-Backplate to Carburetor94121
971AScrew-Hex. Head94749
187Hose-Fuel (Cut To Suit)492790
188Screw-Tank Mounting (Includes Washer)398540
601Schlauchklemme (10)93807
670Spacer-Fuel Tank280512
957TANKVERSCHL. 546397974
972Auspuffschutzgitter494224
23Flywheel-Magneto492177
37Guard-Flywheel224511
38Screw-Blower Housing Mtg94608
304Lueftergehaeuse493293
305Screw-Hex Head Sem94513
332Nut-Flywheel92284
363Schwungradabzieher19069
455Starterglocke224250
949Guard-Finger281136
55Startergehaeuse492831
56Seilscheibe top493824
57Spring-Rewind Starter262594
58Rope-Rewind Starter (Cut To 88-5/8) 58 81 _8530012 1 20900 Rope-Rewind Starter (Cut To 88-5/8)280399
59Griffeinsatz396892
60Startergriff top393152
69Scheibe280973
69AScheibe224322
456Retainer-Rewind-Starter224321
459Starterklinke Mit Feder492833
461Pin-Starter262626
515Feder262625
608Starter Assy.-Rewind493295
946*** keine Bezeichnung vorhanden223294
1016Deckel224278
81Lock-Muffler Screw223664
300*** keine Bezeichnung vorhanden496104
333Armature-Magneto802574
334Screw-Armature Mounting94731
346AScrew-Hex. Head94602
356Massekabel398808
613Screw-Muffler Mtg.94231
832Auspuffschutzgitter494224
851Terminal-Ignition Cable493880
883Gasket-Exhaust Cap272253
Gebrauchsanweisungen
Toro
Impressum
(C) by motoruf