Zurück zu
>
Roth / TORO
>
Aufsitzmäher
>
Traktor
>
13-38 HXL
>
392/71213
>
59000001
>
Motor (B&S Modell 28M707-0122-01)
Ersatzteillisten für Toro Roth / TORO Motor (B&S Modell 28M707-0122-01)
Ersatzteilliste 1
Ersatzteilliste 2
Ersatzteilliste 3
Ersatzteilliste 4
Ersatzteilliste 5
Ersatzteilliste 6
Ersatzteilliste 7
Ersatzteilliste 8
Pos.
Bezeichnung
Ersatzteilnummer
Ring Set-Piston-.020 O.S. 25 1_366010 1 38160 Ring Set-Piston-.020 O.S.
391782
Ring Set-Piston-.030 O.S. 26 1_366010 1 38160 Ring Set-Piston-.030 O.S.
391783
Piston Assy.-.030 O.S. 24 _8790030 1 S2-12B502 Piston Assy.-.030 O.S.
394664
Screw-Sem
93535
Piston Assy.-.010 O.S. 22 _8790030 1 S2-12B502 Piston Assy.-.010 O.S.
394662
Gasket-Crkcse Cover, 1/64 Thick 12 10 _8790030 1 S2-12B502 Gasket-Crkcse Cover, 1/64 Thick
271916
Pin Assembly-Piston-.005 O.S. 29 1_366010 1 38160 Pin Assembly-Piston-.005 O.S.
391286
Connecting Rod (020 U.S. Crankpin Bore) 60 5834A025 1 71140 Connecting Rod (020 U.S. Crankpin Bore)
490469
Piston Assy.-.020 O.S. 23 _8790030 1 S2-12B502 Piston Assy.-.020 O.S.
394663
Pos.
Bezeichnung
Ersatzteilnummer
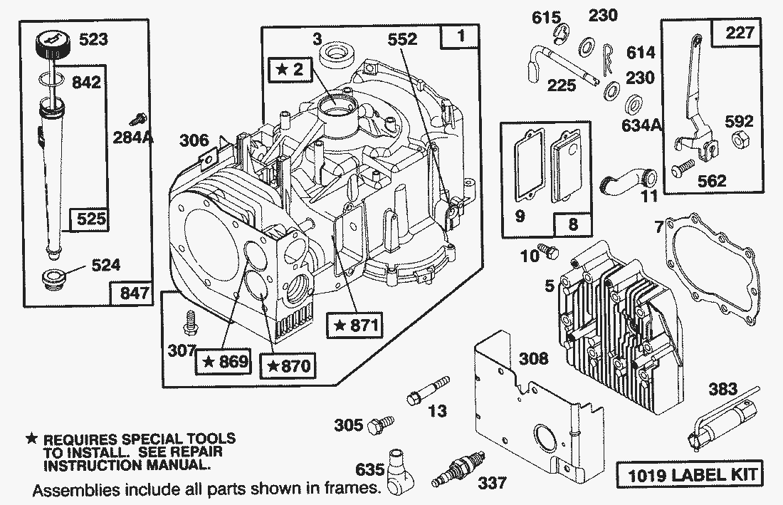
1
Zylinder
496413
2
Sieb
399265
3
Seal-Oil
391086
5
Zylinderkopf
494240
7
Gasket-Cylinder Head
271866
8
Entluefter
495735
9
Dichtung t
27803
10
Schraube
94621
11
Entluefterrohr
280100
13
Schraube
94622
225
Crank-Governor
231058
227
Reglerhebel
493935
230
Scheibe
94742
284
Screw-Sem
94073
305
Screw-Hex. Washer Hd.
94786
306
Shield-Cylinder
224545
307
Screw-Cylinder Shield Mtg. Sem
94623
308
Cover-Cylinder Head
491490
337
Zuendkerze
802592
383
Wrench-Spark Plug
89838
523
Cap and Dipstick Oil Filler
495230
524
Seal-Filler Tube
68838
525
Rohr F. Oelmeástab
496113
552
Bushing-Gov. Crank
231597
562
Bolzen
92613
592
Mutter
231082
614
Splint
93306
615
Halter
93307
634
Dichtring
491323
635
Elbow-Spark Plug
66538
842
Seal-Oil Filler Cap
270920
847
Oeleinfuellrohr
496415
869
Einlassventil
261463
870
Seat-Exhaust Valve (Std.)
213316
871
Ventilfuehrung
261961
1019
Label Kit
491255
Pos.
Bezeichnung
Ersatzteilnummer
Dichtung - 005
271997
Dichtung - 009
271996
15
Plug-Oil Drain
94239
16
Crankshaft
495162
Keil
94196
18
Oelwanne Incl.Dicht.+Wedi
494238
20
Seal-Oil
291675
22
Screw-Base Mtg. Sem
94624
24
Key-Flywheel
222698
25
Kolben
394661
26
Ringsatz
391780
Kolbenringsatz 010
391781
27
Kolbenbolzensicherung
260924
28
Kolbenbolzen
299691
29
Pleuelstange
490348
32
Screw-Connecting Rod
94671
33
Valve-Exhaust
262246
34
Valve-Intake
262247
35
Ventilfeder
65906
36
Spring-Exhaust Valve
26828
40
Retainer-Intake Valve
221596
41
Drehkappe
292260
42
Retainer-Exhaust Valve Rotocoil
93630
45
Ventilstoessel
262248
46
Nockenwelle
212897
219
Reglerrad
490815
741
Gear-Timing
262932
757
Link-Counterweight
212359
758
Counterweight Assy.
399891
759
Kolbenbolzen
298909
761
Screw-Counterweight
93875
Pos.
Bezeichnung
Ersatzteilnummer
51
Gasket-Carb (Carb to Elbow)
272465
52
Gasket-Carburetor Mtg.
272554
53
Stud-Carb Mtg
94637
95
Schraube
94098
98
Duese
495800
104
Pin-Float Hinge
231789
105
Valve Assy.-Inlet Needle
231855
106
Inlet Valve Seat
231854
108
Duese
224540
118
Duese
494383
121
Carburetor Overhaul Kit
495799
123
Screw-Elbow Mtg
94616
125
Carburetor Assembly
495706
127
130
Valve-Throttle
224539
131
Drosselwelle
494379
133
Schwimmer
494381
137
Gasket-Float Bowl
281165
138
Washer-Float Bowl Screw
281164
141
Chokehebel
495931
142
Duese
494537
147
Pilot-Jet
231794
164
Carburetor-Elbow
213819
611
Fuel Inlet Tube
494451
618
Feder
262803
634
Dichtung
281168
634
Dichtring
398970
955
Screw-Fuel Bowl
94642
965
Stopmutter
94010
975
Bowl Assy-Carb
494378
977
Dichtungs-Satz
494385
987
Dichtung
281166
Pos.
Bezeichnung
Ersatzteilnummer
171
Nut-Air Cleaner Mtg
281051
224
Screw-Hex Head Sem
94513
284
Screw Hex. Head
94704
445
Cartridge-Air Cleaner
493909
467
Knob-Air Cleaner
493903
535
Element-Air Cleaner
272403
537
O-Ring
281106
646
Brace-Air Cleaner
224546
663
Screw-Clamp Mtg.
94620
872
Cover-Air Cleaner
281361
875
Body-Air Cleaner
494237
Pos.
Bezeichnung
Ersatzteilnummer
187
Benzinleitung
393815
201
Link-Governor
262767
209
Spring-Governor
260871
216
Gestaenge
262766
222
Plate-Governor Control
495611
232
Feder
262785
240
Filter-Fuel (In Fuel Line)
394358
265
Clamp, Casing
221535
474
Stator-Alternator (Dual Circuit)
393474
482
Screw-Sem
3621
601
Clamp-Fuel Pipe
3053
657
Screw, Sem
93496
877
Diode
393456
Pos.
Bezeichnung
Ersatzteilnummer
23
Schwungrad
492326
37
Guard-Flywheel
224502
75
Washer-Spring
224061
78
Screw-Sem
93805
304
Housing-Blower
496431
305
Screw-Blower Housing Sem
94619
333
Zuendanlage
492341
334
Screw, Breaker Arm Mtg. Sem
93381
346
Schraube
93705
356
Wire-Ground
494328
363
Puller-Flywheel(Optional Accessory)
19203
423
Screw-Sem
94073
455
Mitnehmer
222561
468
Schutzgitter
224948
668
Spacer
280848
726
Gear-Flywheel Ring (Includes Mounting Parts)
392134
727
Starterdeckel
490324
729
Clip-Relief
281159
851
Terminal-Ignition Cable
221798
1005
Fan-Flywheel
281355
1006
Mitnehmerblech
224413
1044
Screw-Hex. Head
94673
Pos.
Bezeichnung
Ersatzteilnummer
309
Motor & Drive Assembly
394805
310
Bolt
94003
311
Kohlensatz
395538
510
Starterritzel
495878
513
Clutch Assembly
398003
544
Armature Assembly
390837
728
Schraube
94627
729
Retainer-Wire
224723
783
Gear
280104
801
Deckel
394856
802
Deckel
395537
803
Housing Assembly
398159
876
Starterritzel (satz) top
495877
896
Spannstift
94288
Pos.
Bezeichnung
Ersatzteilnummer
358
Dichtungssatz
494241
634
Trigger Coil
394970
977
Benzintank
494358
Gebrauchsanweisungen
Toro
Roth / TORO
Aufsitzmäher
Traktor
264-6
246 HE
244-5
212-H
212-5
17-44 HXLE
16-44 HXL
16-38 HXL
16-38 XLE
15-44 HXL
15-38 HXL
14-38 HXL
14-38 XL
13-38 HXL
392/71213
59100001
59000001
Motor (B&S Modell 28M707-0122-01)
Hydraulik Getriebeachse Modell 321-0500 (Fortsetzung)
Hydraulik Getriebeachse Modell-Nr. 321-0500 (Fortsetzung)
Hydraulik Getriebeachse Modell-Nr. 321-0500
Kabel & Abdeckung (38 Schneideinheit) Cable & Cover Assy. (38 Cutting Unit)
Bremse (38 Schneideinheit) Brake Assy. (38 Cutting Unit)
Gehäuse & Spindel (38 Schneideinheit) Housing & Spindle Assy. (38 Cutting Unit) (Model No. 71213 only)
Gehäuse & Spindel (38 Schneideinheit) Housing & Spindle (38 Cutting Unit) (Model No. 71191 only)
Schnitthöhe
Getriebeachse
Elektrik
Geschwindigkeitsbetätigung & Hinterrad
Motor
Kupplung
Lenkung
Vorderachse
Sitz
Rahmen
Haube
4900001
13-38 XL
13-32 XLE
12-38 HXL
12-38 XL
12-32 XL
264 H
265 H
267 H
268 H
270 H
520 xi
520 Lxi
523 Dxi
Rider
Mähwerke
Zubehör
Handgeräte
Robin
Impressum
(C) by motoruf