Zurück zu
>
Roth / TORO
>
Handgeräte
>
Rasenmäher
>
4-Takt Radantrieb
>
488/20920
>
0000001
>
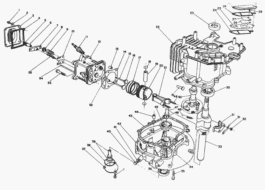
Kurbelgehäuse (Modell-Nr. VMK9)
Ersatzteillisten für Toro Roth / TORO Kurbelgehäuse (Modell-Nr. VMK9)
Pos.
Bezeichnung
Ersatzteilnummer
1
SCHRAUBE
81-1170
2
Washer
81-3790
3
Deckel
81-3780
4
Dichtung
81-3770
5
Mutter
81-3760
6
Buechse
81-3750
7
Hebel
81-3740
8
Federteller
81-3730
9
Spring-Valve
81-3720
10
Stoesselfuehrung
81-3710
11
Zuendkerze
81-3250
12
Zylinderkopf
81-5540
13
Pass-Stift
81-3690
14
Zylinderkopfdichtung
81-4710
Dichtungssatz
81-3820
15
Valve-Exhaust
81-3660
16
Valve-Intake
81-3670
17
Kolbenring-Satz
81-3650
18
Sicherung
50-0960
19
Kolbenbolzen
81-3630
20
Kolben
81-3620
21
Pleuel
81-3390
22
Zylinder
81-3280
23
Simmerring
81-3290
24
Dichtung
81-3300
25
26
Entlueftungsventil
81-3370
27
28
Deckel
81-3320
29
30
Lager
81-3380
31
Plate-Lock
81-3400
32
Mutter
50-0510
33
Kurbelwelle Innengewinde
81-3420
34
Scheibe
81-3440
35
Schraube
81-3450
36
Simmerring
81-3460
37
Deckel
81-3470
38
O-Ring
81-3480
39
Oelpumpe
81-3490
40
Oelablass-Schraube
81-4970
41
Dichtung
81-3510
42
Crankcase-Lower
81-3520
43
Dichtung
81-3530
Gebrauchsanweisungen
Toro
Roth / TORO
Aufsitzmäher
Handgeräte
Kehrmaschinen
Schneefräsen
Sauger/Bläser
Rasenmäher
Grasfangvorrichtungen
4-Takt Radantrieb
498/26638
498/26633
498/26633 B
498/26631 B
496/26639
496/26636
496/26636 B
496/26635 BC
496/26625 BG
495/26637
495/26632
495/26632 B
495/26630 BC
495/26630 BG
495/26620 BG
494/20784
494/20791
493/20783
493/20789
492/20787
492/20778
491/20786
491/20777
491/20328 B
490/20327 B
489/20927 B
489/20926 B
489/20925
488/20920
0000001
Starter (Modell-Nr. VMK9)
Auspuff (Modell-Nr. VMK9)
Luftfilter & Kraftstofftank (Modell-Nr. VMK9)
Vergaser (Modell-Nr. VMK9)
Regler (Modell-Nr. VMK9)
Zündspule & Schwungrad (Modell-Nr. VMK9)
Kurbelwelle (Fortsetzung)
Kurbelgehäuse (Modell-Nr. VMK9)
Fangkorb
Holm (Antrieb)
Getriebe Nr. 71-8250
Hinterachse (Antrieb)
Motor
Gehäuse
487/20914
487/20909 BC
487/20905
479
477
469
465/20781
465/20779
464
459/20824
459/20821
459/20821 B
459/20820 BC
458/20823
458/20822
457
456/20808
456/20808 B
456/20807 BC
456/20806 B
455/20803
455/20803 B
455/20802 BC
455/20801 B
453
449
439
437/22173
437/22157
437/22154
437/22154 B
437/22153 BC
434
424
421/20652
417/20832
417/20829
417/20827
416/20831
416/20828
416/20826
415/20817
415/20811
4-Takt
2-Takt Radantrieb
2-Takt
Elektro
Akku
Robin
Impressum
(C) by motoruf