Zurück zu
>
Roth / TORO
>
Aufsitzmäher
>
Rider
>
8-25
>
372/70060
>
6900001
>
Heckteil
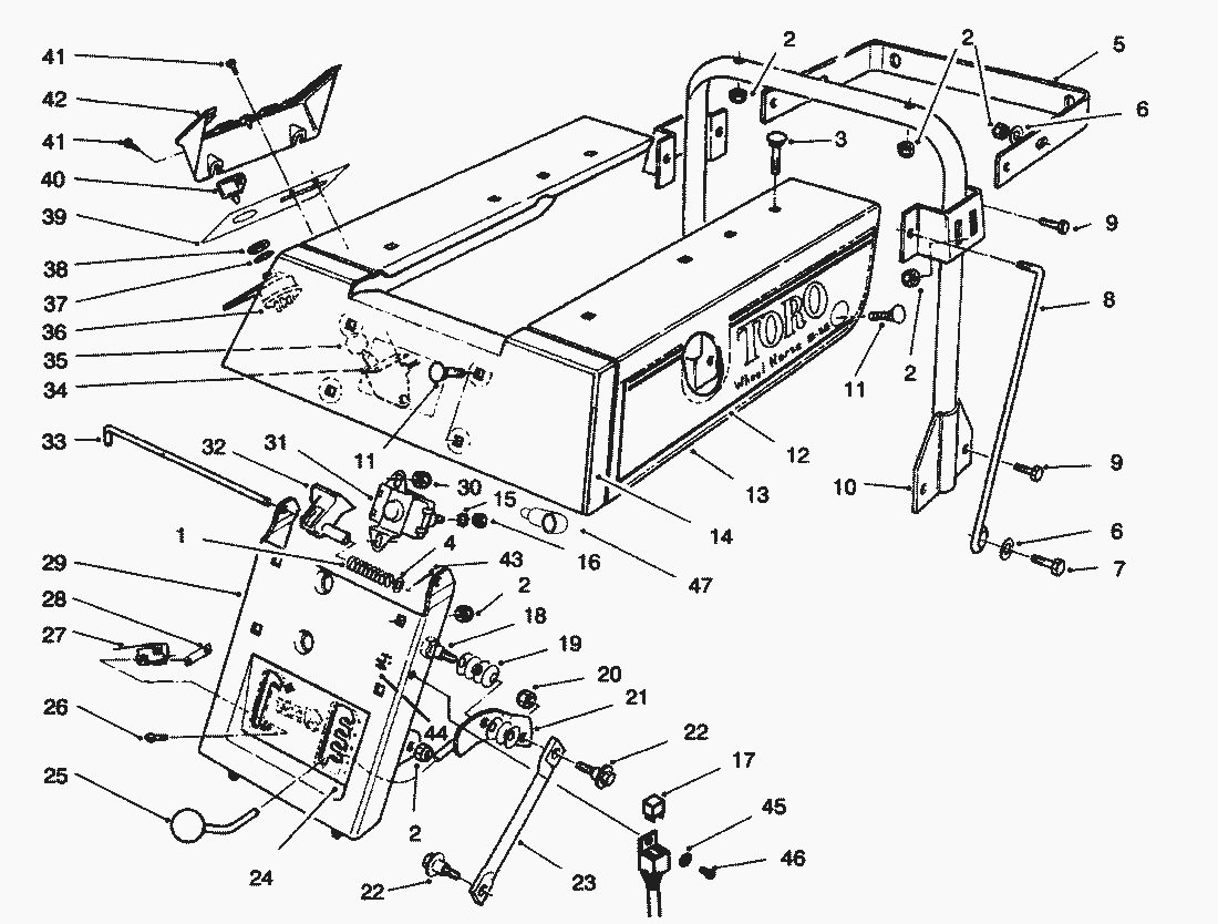
Ersatzteillisten für Toro Roth / TORO Heckteil
Pos.
Bezeichnung
Ersatzteilnummer
Switch-Ignition
88-9830
Pos.
Bezeichnung
Ersatzteilnummer
1
Feder
71-8310
2
MUTTER
3296-29
3
Schraube
3230-3
4
scheibe
3256-22
5
Bar-Stand
67-1500-0
6
Scheibe
3256-23
7
Schraube
322-5
8
Brace-Support, Seat
67-1480
9
Schraube
322-3
10
Support W.A.-Seat
67-0790-03
11
Carriage Bolt
3230-20
12
Namensschild
92-7979
Namensschild
92-7980
13
Body W.A.-Rear
67-0231-01
14
Klebeschild
92-7978
15
Federring
3253-3
16
Mutter
3218-1
17
Schaltrelais
116397
18
Bolzen
28-0540
19
Wellenscheibe
3290-413
20
Mutter
3296-39
21
Handle W.A.-H.O.C.
67-0270
22
Bolzen
67-0870
23
Gestaenge
67-0080
24
Decal-H.O.C. Deck Engage.
92-7977
25
Griff
233-22
26
Machine Screw
3290-313
27
Switch-Micro
88-9931
28
Mutter
3290-354
29
Support W.A.-Seat
67-1090-01
30
MUTTER
3296-42
31
Solenoid-12 Volt (Only On: 72043, 72042, 72063, 72062)
92-9845
32
Hebel
80-4330
33
Rod-Base, Seat
80-4550
34
Gaszug
66-6640
35
Knob
233-59
37
Lockwasher
3254-5
38
Flachmutter
218-461
39
Decal-Panel, Control
92-7976
40
Schluessel
63-8360
41
Schraube
32144-42
42
Cover-Panel, Control
67-1030
43
Splint
3272-4
44
Mutter
3296-2
45
Scheibe
3256-14
46
Schraube
3290-134
47
Schutzkappe
93-3190
Gebrauchsanweisungen
Toro
Roth / TORO
Aufsitzmäher
Traktor
Rider
HMR 1600
12-32 E
12-32
11-32
10-32 E
8-25
372/70122
372/70060
89000001
79000001
59000001
49000001
39000001
6900001
Getriebe (Peerlesss Modell 700-025)
B&S Modell NO 195707-0121-01
Motor B&S (Modell-Nr. 195707-0121-01)
Starter (B&S Nr. 195707-0121-01)
Differential
Schneideinheit
Hinterachse
Elektro-Schaltplan
Motor
Getriebe & Gestänge (Fortsetzung)
Getriebe & Gestänge
Heckteil
Vorderachse
Sitz & Kraftstofftank
Rahmen
Vorderteil
110-4E
110-4
Mähwerke
Zubehör
Handgeräte
Robin
Impressum
(C) by motoruf