Zurück zu
>
Roth / TORO
>
Handgeräte
>
Schneefräsen
>
einstufig
>
CCR 2000
>
618/38186
>
4900001
>
Grassauswurf
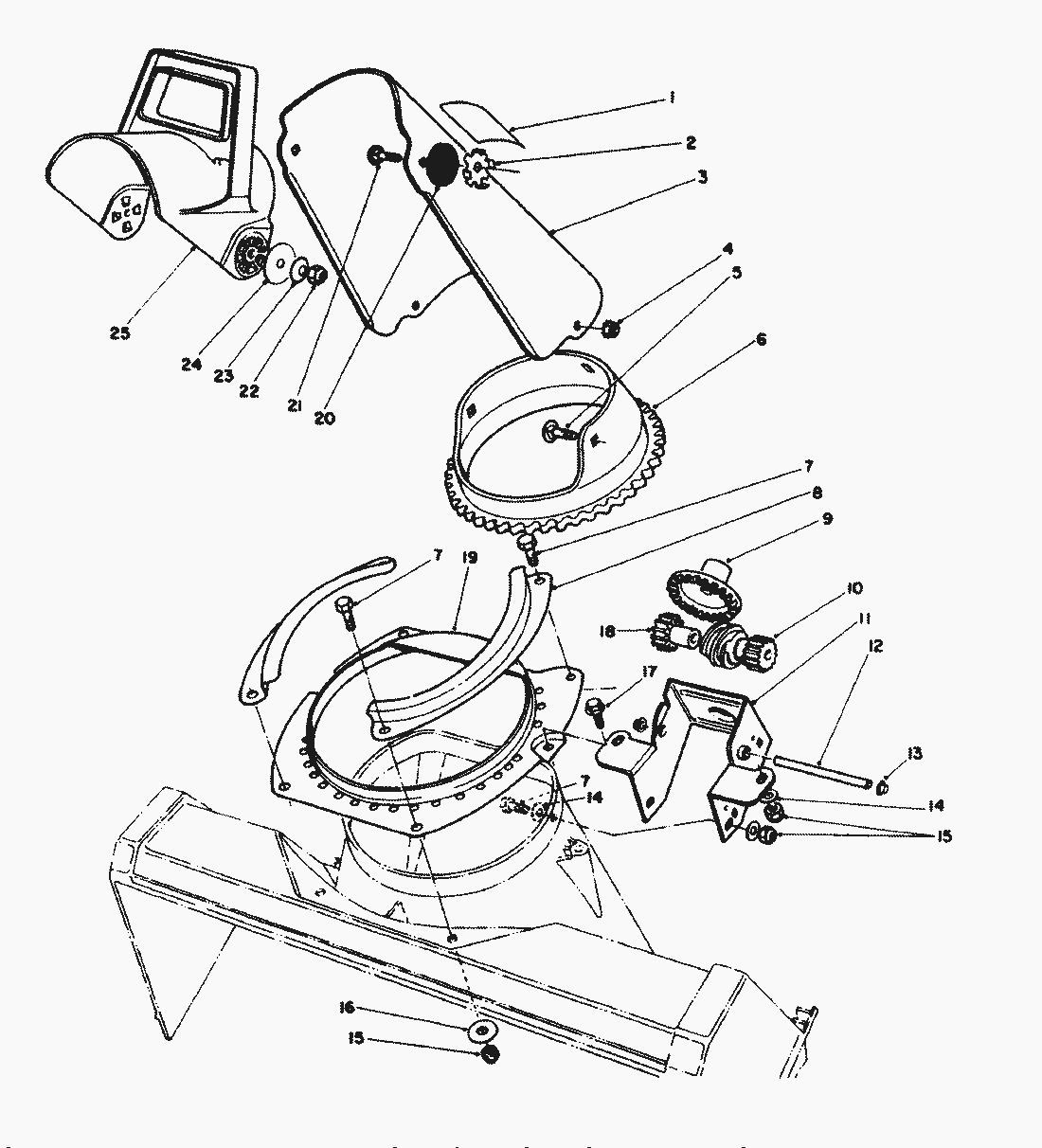
Ersatzteillisten für Toro Roth / TORO Grassauswurf
Pos.
Bezeichnung
Ersatzteilnummer
Chute-Discharge (Incl. Ref.
12-8749
Pos.
Bezeichnung
Ersatzteilnummer
1
Decal-Danger Chute (Model No. 38500)
63-3740
Decal-Discharge
63-3760
2
Sicherungsscheibe
55-8950
4
Mutter
32149-1
5
Carriage Bolt
3230-18
6
Drehkranz
55-8720
7
Schraube
321-4
8
Retainer-Chute Ring
55-8910
9
Tellerrad
55-8740
10
Ritzel
55-8730
11
Bracket-Chute Gears
84-5650
12
Welle
55-9150
13
SICHERUNGSKAPPE
32112-11
14
scheibe
3256-22
15
MUTTER
3296-42
16
scheibe
3256-22
17
Schraube
46-8092
18
Spacer/Spur Gear
55-8750
19
Support-Chute Ring
55-8921
20
Scheibe
20-4320
21
Bolzen
3230-22
22
MUTTER
3296-29
23
Tellerscheibe
3290-456
24
Scheibe
3256-68
25
Leitblech
56-2680
Gebrauchsanweisungen
Toro
Roth / TORO
Aufsitzmäher
Handgeräte
Kehrmaschinen
Schneefräsen
Zubehör
zweistufig
einstufig
Snow Commander
CCR 3650 GTS
CCR 3000
CCR 2450
CCR 2400
CCR 2000
618/38186
6900001
5900001
4900001
Starter (Motor Modell 47PP3-5)
Auspuff (Motor Modell 47PP3-5)
Regler (Motor Modell 47PP3-5)
Vergaser (Motor Modell 47PP3-5)
Schwungrad & Zündspule (Motor Modell 47PP3-5)
TeileMotor (Motor Modell 47PP3-5)
Holm
StarterMotor & Schalter Gehäuse
Betätigung, Paneele & Abdeckung
Motor & Hauptrahmen
Grassauswurf
Rotor
Gehäuse (Fortsetzung)
Gehäuse
3900001
2000001
1000001
0000001
618/38185 C
618/38181
618/38180 C
CR 1000
CR 20
CR 20 R
S 620
S 200
CCR Powerlite
Sauger/Bläser
Rasenmäher
Robin
Impressum
(C) by motoruf