Zurück zu
motoruf
Warenkorb

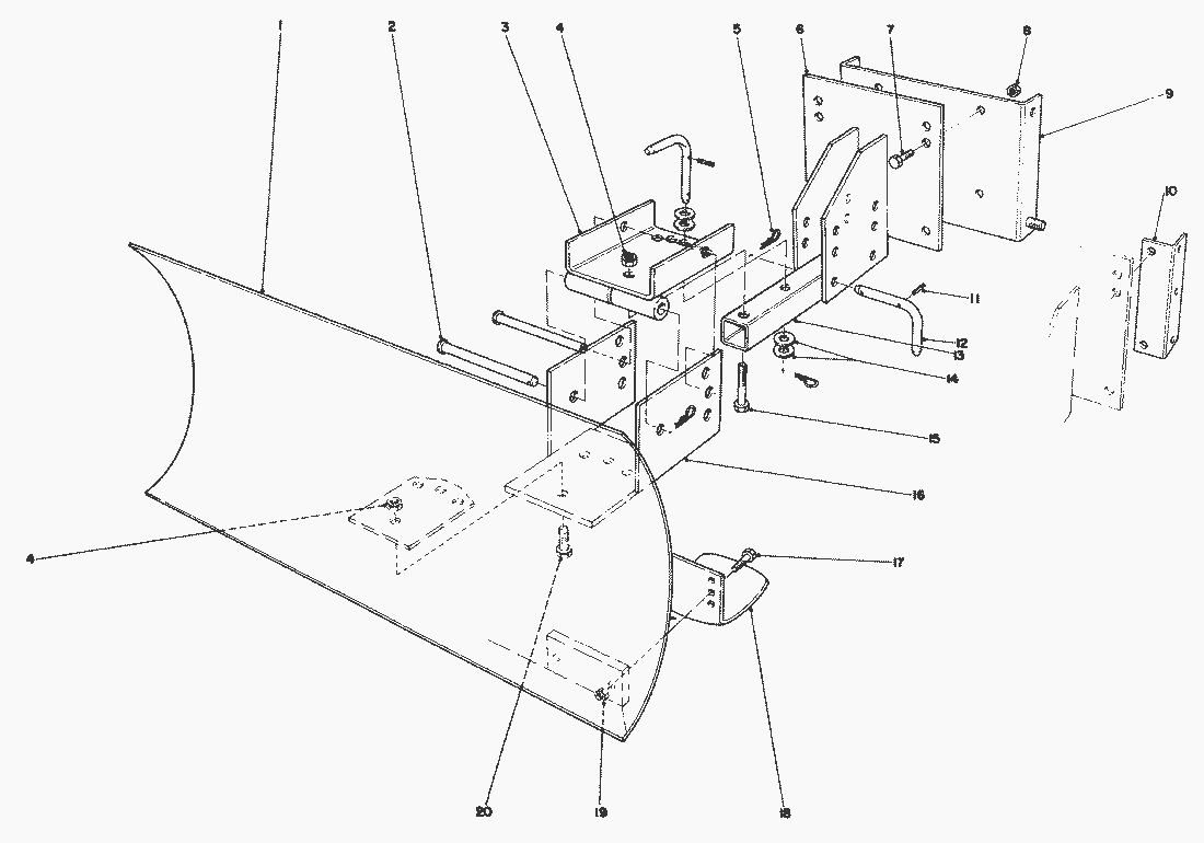
Ersatzteillisten für Toro Roth / TORO Graderschild Modell 59099 (wahlw.)




Pos.BezeichnungErsatzteilnummer
Pivot Pin (Incl. Ref.20-5210
Ersatzteilliste


Pos.BezeichnungErsatzteilnummer
1Blade74374
2Splintbolzen283-38
3Swivel Bracket20-5090
4Mutter32152-3
5Haarnadelsicherung3290-322
6Mounting Plate20-5170
7Schraube323-6
8Locknut32152-2
9Mounting Plate Bracket (used with 826 and 1032 only)22-4920
10Mounting Rail (Used with 421 Units only)39-7850
11Stift32121-45
13Blade Tongue20-5140
14Scheibe3256-5
15Schraube325-11
16Blade Adjustment Plate20-5130
17Schraube322-6
18Skid7-1023
19Mutter32152-1
20Schraube325-5
Schraube650152
Decal31752
Body31692
Element30727
Schraube28820
Anschlusstueck31691
Gasket27277
Gebrauchsanweisungen
Toro
Impressum
(C) by motoruf