Zurück zu
>
Roth / TORO
>
Handgeräte
>
Rasenmäher
>
2-Takt Radantrieb
>
295/26640 BC
>
5900001
>
Getriebegehäuse
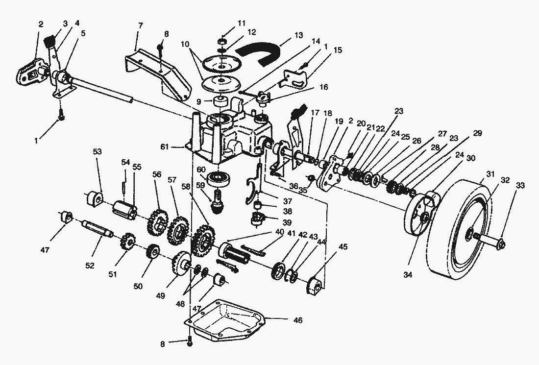
Ersatzteillisten für Toro Roth / TORO Getriebegehäuse
Pos.
Bezeichnung
Ersatzteilnummer
1
Schraube
32144-70
2
Hoeheneinstellhebel
65-5042
3
Hebelknopf
25-7740
4
Stellhebel
65-5440
5
Kappe
66-0360
7
Bracket-Belt Guide
65-5190
8
Schraube
49-2040
9
Distanzstueck
62-6660
10
Pulley-Half
60-8840
11
Stopmutter
3296-5
12
Scheibe
3256-24
13
Keilriemen
36-8070
14
Splint
3272-5
15
Klemme
76-2930
16
Schaltfinger
76-0920
17
Welle
65-4770
18
O-Ring
237-153
19
Buechse
70-9760
20
Schmiernippel
302-56
21
Nadellager
48-2060
22
Druckscheibe
65-4730
23
Druckscheibe
65-4740
24
Sicherungsring
65-2720
25
Gummiring
65-4710
26
Kupplungsscheibe
65-4760
27
Freilaufsperre Li.
66-6050
Freilaufsperre Re.
66-6040
28
Antriebsritzel
65-4750
29
Feder
65-4720
30
Radabdeckung
74-1660
31
Rad
14-9959
32
Buchse
27-6250
33
Radbolzen
27-6231
34
Distanzscheibe
74-1670
35
Stopmutter
3296-6
36
Schraube
65-5220
37
Schaltklaue
60-8870
38
Buchse
29-9570
39
Mitnehmer
60-8810
40
Zahnwelle
76-0780
41
Schiebekeil
76-0760
42
Schaltring
76-0770
43
Sicherungsring
65-5250
44
Scheibe
36-4780
Gebrauchsanweisungen
Toro
Roth / TORO
Aufsitzmäher
Handgeräte
Kehrmaschinen
Schneefräsen
Sauger/Bläser
Rasenmäher
Grasfangvorrichtungen
4-Takt Radantrieb
4-Takt
2-Takt Radantrieb
295/26643
295/26643 B
295/26640 BC
5900001
Auspuff (Modell-Nr. 47PR4-6)
Vergaser (Modell-Nr. 47PR4-6)
Regler (Modell-Nr. 47PR4-6)
Starter (Modell-Nr. 47PR4-6)
Zündung (Modell-Nr. 47PR4-6)
Teilemotor (Modell-Nr. 47PR4-6)
Fangkorb
Antrieb Betätigung
Holm
Getriebegehäuse (Fortsetzung)
Getriebegehäuse
Messer
Bremse
Motor
Gehäuse
295/26640 B
287/20916B
277
255/22700 BC
255/22700
239
237/22045
237/22045 B
237/22044 BC
237/22036
237/22035
234
224
222/16212 WG
2-Takt
Elektro
Akku
Robin
Impressum
(C) by motoruf