Zurück zu
>
Roth / TORO
>
Aufsitzmäher
>
Traktor
>
13-38 HXL
>
392/71213
>
4900001
>
Getriebeachse
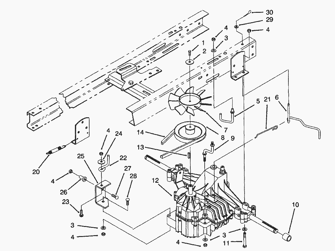
Ersatzteillisten für Toro Roth / TORO Getriebeachse
Pos.
Bezeichnung
Ersatzteilnummer
1
Screw-Hex Hd. Cap
48-7620
2
Washer-Fender
3256-58
3
Scheibe
3256-23
4
MUTTER
3296-29
5
Riemenfuehrung
88-5960
6
Gesteange
92-8857
7
Luefterrad
115271
8
Riemenscheibe
88-6180
9
Gestaenge
88-5620
10
Radbuechse
88-5360
11
Schraube
322-12
12
Transaxle
92-8783
13
Keil
80-6090
14
Riemen
88-6280
20
Spring-Brake Return
26-6701
21
Gestaenge
92-8856
22
Riemenfuehrung
88-5460
23
Schraube
3230-2
24
Scheibe
5-4460
25
Bracket-Speed Control
92-6013
26
Flanschbuechse
65-5080
27
Schraube
3230-5
28
Schraube
3230-7
29
scheibe
3256-22
30
Stift
3290-307
Gebrauchsanweisungen
Toro
Roth / TORO
Aufsitzmäher
Traktor
264-6
246 HE
244-5
212-H
212-5
17-44 HXLE
16-44 HXL
16-38 HXL
16-38 XLE
15-44 HXL
15-38 HXL
14-38 HXL
14-38 XL
13-38 HXL
392/71213
59100001
59000001
4900001
Motor (B&S Modell 28M707-0122-01)
Hydraulik Getriebeachse Modell-Nr. 316-0500 (Fortsetzung)
Hydraulik Getriebeachse Modell-Nr. 316-0500
Kabel & Abdeckung (38 Schneideinheit) Cable & Cover Assy. (38 Cutting Unit)
Bremse (38 Schneideinheit) Brake Assy. (38 Cutting Unit)
Gehäuse & Spindel (38 Schneideinheit) Housing & Spindle Assy. (38 Cutting Unit) (Model No. 71213 only)
Gehäuse & Spindel (38 Schneideinheit) Housing & Spindle Assy. (38 Cutting Unit) (Model No. 71191 only)
Schnitthöhe
Getriebeachse
Elektrik
Geschwindigkeitsbetätigung & Hinterrad
Kupplung
Motor
Lenkung
Vorderachse
Sitz
Haube
Rahmen
13-38 XL
13-32 XLE
12-38 HXL
12-38 XL
12-32 XL
264 H
265 H
267 H
268 H
270 H
520 xi
520 Lxi
523 Dxi
Rider
Mähwerke
Zubehör
Handgeräte
Robin
Impressum
(C) by motoruf