Zurück zu
>
Roth / TORO
>
Handgeräte
>
Schneefräsen
>
einstufig
>
CCR 2000
>
618/38186
>
4900001
>
Gehäuse (Fortsetzung)
Ersatzteillisten für Toro Roth / TORO Gehäuse (Fortsetzung)
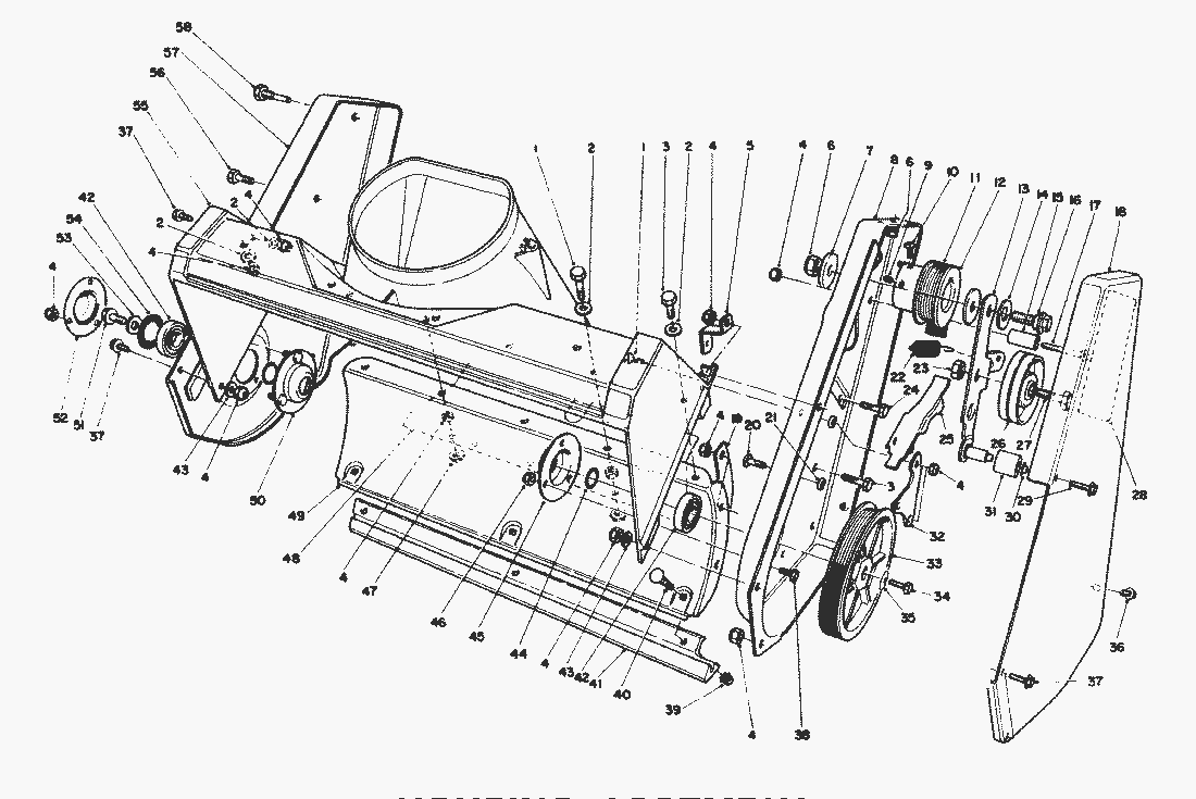
Pos.
Bezeichnung
Ersatzteilnummer
30
SICHERUNGSKAPPE
32112-11
31
Bremsrolle
55-9520
32
Platte
55-9570
33
Riemenscheibe
60-9320
34
Schraube
321-30
35
Tellerscheibe
3290-456
36
Schraube
12-3270
37
Schraube
32105-15
38
Schraube
32105-8
39
Mutter
32149-2
40
Schraube
3229-11
41
Schuerfleiste
55-8760
42
Kugellager
38-7820
43
Scheibe
3256-67
44
Scheibe
52-7280
45
Lagerschale
38-8620
46
Mutter
3296-2
47
Hutmutter
32128-10
48
Bodendeckel
55-9512
49
Housing-Lower
55-9220
50
Lagerdeckel
52-9110
51
Screw-Cap Hex Flange
3234-25
52
Retainer-Bearing
52-7290
53
Scheibe
3256-24
54
Washer-Rubber
52-7270
55
Gehaeuse
55-8700
56
Schraube
322-43
57
Sideplate-R.H.
55-8840
58
Bolzen
38-8211
Gebrauchsanweisungen
Toro
Roth / TORO
Aufsitzmäher
Handgeräte
Kehrmaschinen
Schneefräsen
Zubehör
zweistufig
einstufig
Snow Commander
CCR 3650 GTS
CCR 3000
CCR 2450
CCR 2400
CCR 2000
618/38186
6900001
5900001
4900001
Starter (Motor Modell 47PP3-5)
Auspuff (Motor Modell 47PP3-5)
Regler (Motor Modell 47PP3-5)
Vergaser (Motor Modell 47PP3-5)
Schwungrad & Zündspule (Motor Modell 47PP3-5)
TeileMotor (Motor Modell 47PP3-5)
Holm
StarterMotor & Schalter Gehäuse
Betätigung, Paneele & Abdeckung
Motor & Hauptrahmen
Grassauswurf
Rotor
Gehäuse (Fortsetzung)
Gehäuse
3900001
2000001
1000001
0000001
618/38185 C
618/38181
618/38180 C
CR 1000
CR 20
CR 20 R
S 620
S 200
CCR Powerlite
Sauger/Bläser
Rasenmäher
Robin
Impressum
(C) by motoruf