Zurück zu
motoruf
Warenkorb

Ersatzteillisten für Toro Roth / TORO Gehäuse (Fortsetzung)




Ersatzteilliste


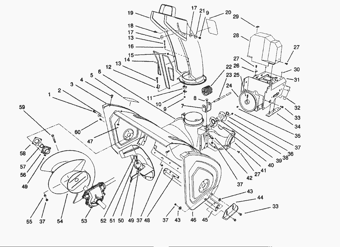
Pos.BezeichnungErsatzteilnummer
30Pop-Nieten3269-23
31Frame-Engine66-6980
32Cover-Engine Frame62-1440
33Schraube3234-5
34Motorplatte68-4150
Plate-Engine Stud R.H.68-4140
35Keil3257-23
36Scheibe252-80
37MUTTER3296-29
38
39Lager63-3450
40
41Cover-Belt (Lower)62-1400
42Scheibe3256-23
43Scheibe52-2861
44Skid Assembly74-1440
45Blade-Scraper66-7760
46Plate-Side L.H.66-7831
47Mutter3296-47
48Schloss Schraube3230-23
49MUTTER3296-42
50Impeller66-7920
51Distanzstueck66-8010
52Schraube321-44
53Getriebe Kpl.74-1562
54Auger-R.H.63-2752
Raeumschnecke63-2762
Auger-R.H.(Model No. 38565)68-7452
Auger-L.H.(Model No. 38565)68-7462
55Buechse25-5090
56Lagerflansch20-0990
57Gleitlager20-0980
58Lagerflansch20-1000
59Bolt Auger17-7030
60SCHRAUBE321-3
Lager Mit Deckel12-8789
Gebrauchsanweisungen
Toro
Impressum
(C) by motoruf