Zurück zu
>
Roth / TORO
>
Handgeräte
>
Schneefräsen
>
zweistufig
>
1132
>
610/38160
>
3000001
>
Antrieb (Fortsetzung)
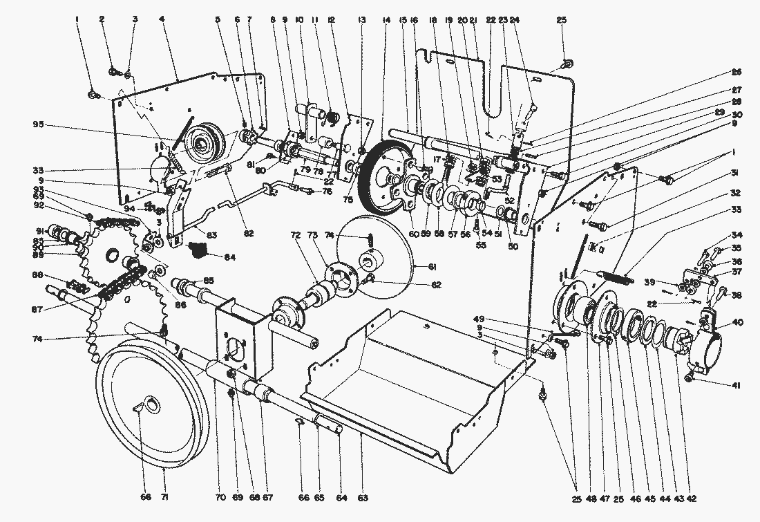
Ersatzteillisten für Toro Roth / TORO Antrieb (Fortsetzung)
Pos.
Bezeichnung
Ersatzteilnummer
Bulkhead (Incl. Ref.
25-5190
Auger Brake Assembly (Incl. Ref.
8-9139
Pos.
Bezeichnung
Ersatzteilnummer
56
Collar
20-4610
57
Scheibe
252-71
58
Ringschraube
11-8050
59
Scheibe
11-8080
60
Reibradaufnahme
20-3310
61
Friktionsscheibe
23-4970
62
Schraube
322-3
63
Shield Lower
11-7140
64
Achse
26-5950
65
Scheibe
3-0737
66
Keil
3257-23
67
Buechse
256-232
68
Mutter
32149-1
69
Schmiernippel
302-5
71
Pulley Drive
5-7410
72
Lagerwelle
23-4950
73
Bearing Housing
10-0070
74
Schraube
3242-4
75
Scheibe
22-9190
76
Bolzen
283-6
77
Bolzen
7-0846
78
Rolle
26-8940
79
Welle
11-8940
80
Lager
251-260
81
Schraube
12-3270
82
Schraube
323-8
84
Brake Pad-Molded
40-8140
85
Scheibe
3-8664
86
Sicherungskappe
3290-383
87
Kette
23-7260
88
Kettenschloss
2710-11
89
Kettenrad
8-8709
90
Buechse
256-215
91
Abstandsbuechse
23-7250
92
Kette
5-9430
93
Bracket Clutch Rod
20-2940
94
Connecting Link
2710-6
95
Pulley-Idler
34244
Loose Parts (Model 38160)
8-8499
Gebrauchsanweisungen
Toro
Roth / TORO
Aufsitzmäher
Handgeräte
Kehrmaschinen
Schneefräsen
Zubehör
zweistufig
1332 PowerShift
1232 PowerShift
1132 PowerShift
1132
610/38160
9000001
7000001
6000001
5000001
4000001
3000001
Graderschild (Modell-Nr. 59099)
Auswurf Verlängerung 26-1100 (wahlw.)
Wetterschutz Modell 42-3380 (wahlw.)
Motor B&S Modell-Nr. 252416-0190-01 (Fortsetzung)
Motor B&S Modell-Nr. 252416-0190-01
12 V Anlasser 37-4640 (wahlw.)
Holm (Fortsetzung)
Holm
Rad
Motor
Antrieb (Fortsetzung)
Antrieb
Trommel
Trommel (Fortsetzung)
2000001
1000001
0000001
1028 PowerShift
924 PowerShift
828 PowerShift
824 PowerShift
824 XL
824
724
624 PowerShift
622
521
3521
einstufig
Sauger/Bläser
Rasenmäher
Robin
Impressum
(C) by motoruf