Zurück zu
>
Roth / TORO
>
Handgeräte
>
Schneefräsen
>
zweistufig
>
1132 PowerShift
>
630/38580
>
2000001
>
12 V Startermotor Nr. 66-7700 (wahlw.)
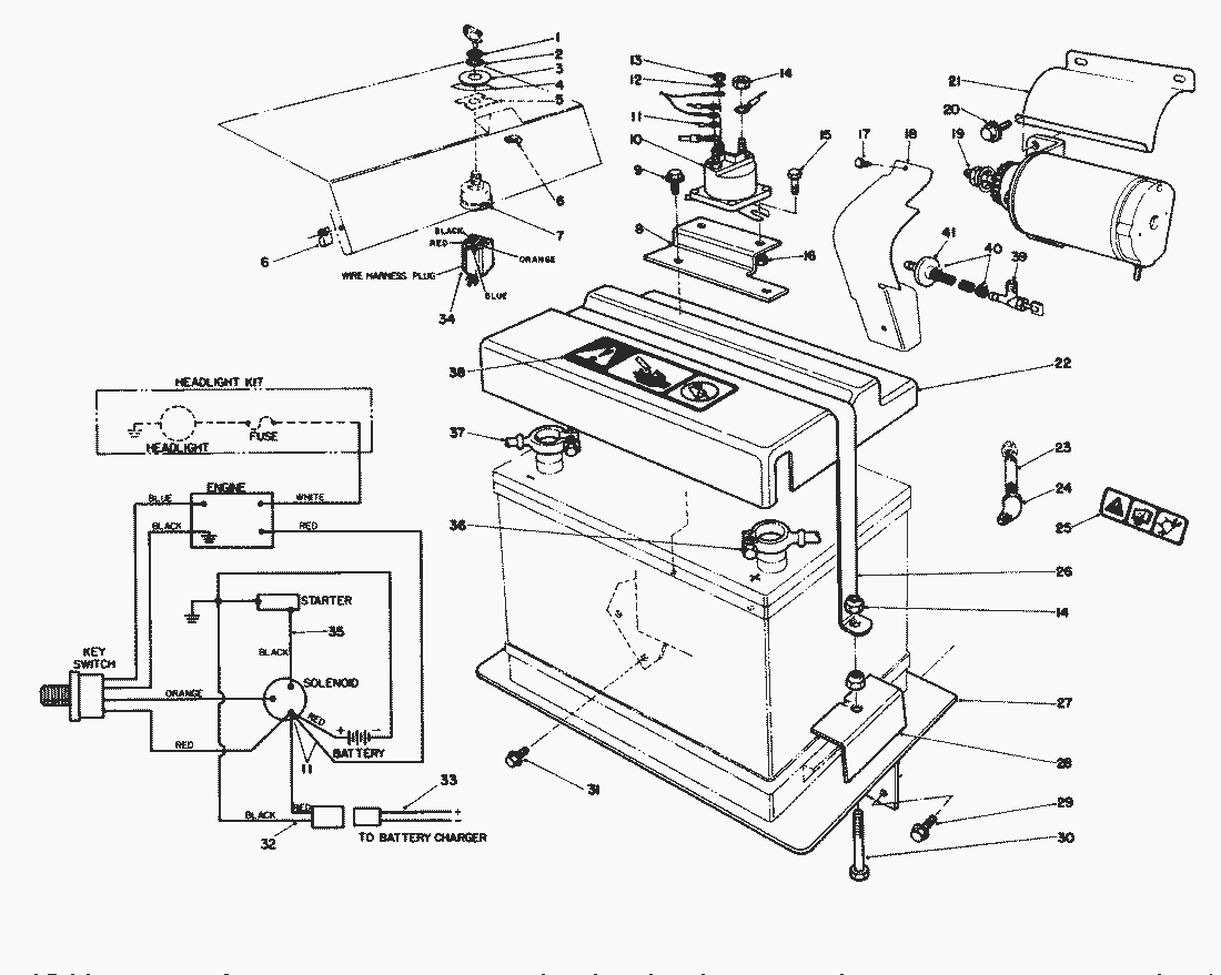
Ersatzteillisten für Toro Roth / TORO 12 V Startermotor Nr. 66-7700 (wahlw.)
Pos.
Bezeichnung
Ersatzteilnummer
1
Flachmutter
218-461
2
Lockwasher
3254-5
3
Washer
66-7690
4
Decal-Key Switch
66-7660
5
Adapter
66-7680
6
Clip-Wire
2412
7
Zuendschloss
23-0660
8
Plate-Solenoid
66_7630
9
Schraube
32144-10
10
Magnetschalter
6-1600
11
Terminal
218-575
12
Scheibe
3254-1
13
Mutter
3219-14
14
MUTTER
3296-29
15
Schraube
321-2
16
MUTTER
3296-42
17
Screw
934984
18
Shield-Pinion
280265
19
Starter Motor Ass y
37-9970
20
Screw-Sem
93535
21
Shield-Drip
222592
22
Cover-Battery
22-8900
23
Nipple-Pipe
289-36
24
Winkel
2811-3
25
Schild
63-3470
26
Strap Battery Cover
22-8850
27
Plate-Battery Mounting
66-7600
28
Battery Hold Downs
22-8870
29
Schraube
3234-17
30
Schraube
322-11
31
Schraube
3234-5
32
Wire Assembly
29-7830
33
Wire Assembly
29-7820
34
Kabelbaum
66-7650
35
Kabel
22-9310
36
Batteriekabel
22-9320
37
Schiebekeil
29-9330
38
Schild
66-7640
39
Benzinhahn
399949
40
Clamp-Fuel Line
2210-307
41
Filter-Fuel
298090
Tie Wrap
3290-378
Charger 110V (U.S. &Canada)
26-3870
Charger 220V (Europe)
26-7140
Gebrauchsanweisungen
Toro
Roth / TORO
Aufsitzmäher
Handgeräte
Kehrmaschinen
Schneefräsen
Zubehör
zweistufig
1332 PowerShift
1232 PowerShift
1132 PowerShift
630/38580
9000001
8000001
5900001
4900001
3900001
2000001
12 V Startermotor Nr. 66-7700 (wahlw.)
110V Elektrostarter Nr. 37-4630 (wahlw.)
Motor B&S Modell 252416 Typ 0756-01 & 0757-01 (Fortsetzung)
Motor B&S Modell 252416 Typ 0757-01 (Modell 38566)
Motor B&S Modell 252416 Typ 0756-01 (Modell 38580)
Motor B&S Modell 252416 Typ 0756-01 & 0757-01
Differential Bausatz Modell-Nr. 38038 (wahlw.)
Wetterschutz Nr. 68-9500 (wahlw.)
Beleuchtungssatz Nr. 66-7940 (wahlw.)
Seiten-Schneidschiene (wahlw.)
Holm
Antrieb Gestänge
Antrieb
Getriebe Nr. 66-8030 (Fortsetzung)
Getriebe Nr. 66-8030
Motor
Trommel Getriebegehäuse Nr. 74-1562
Gehäuse (Fortsetzung)
Gehäuse & Auswurf
1000001
0000001
630/38566
630/38565
1132
1028 PowerShift
924 PowerShift
828 PowerShift
824 PowerShift
824 XL
824
724
624 PowerShift
622
521
3521
einstufig
Sauger/Bläser
Rasenmäher
Robin
Impressum
(C) by motoruf